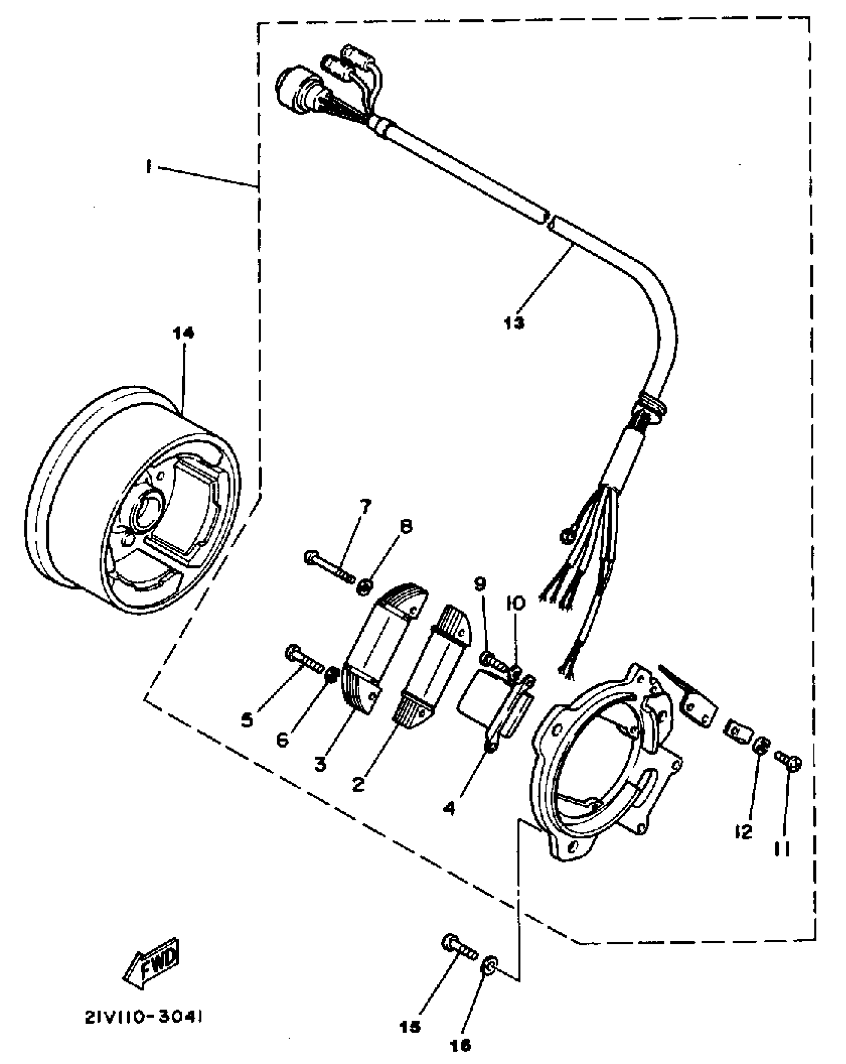
Yamaha YTM200N 1985 GENERATOR Diagram
#
Description
Price
1
STATOR ASSEMBLY
21V-85510-20-00
Unavailable
2
. COIL SOURCE 2
21V-85512-20-00
Unavailable
3
. COIL, LIGHTING 1
21V-85513-20-00
Unavailable
4
COIL,PULSER
59V-85580-20-00
Unavailable
7
SCREW, PAN HEAD
98517-04025-00
Unavailable
9
SCREW, PAN HEAD(62X)
97885-05010-00
Unavailable
13
. LEAD WIRE ASSEMBLY
29U-85515-20-00
Unavailable
14
ROTOR ASSEMBLY
21V-85550-20-00
Unavailable
16
WASHER, PLAIN (646)
92990-06600-00
Unavailable
