Yamaha YTM200K (YTM200L) 1983 CAMSHAFT CHAIN Diagram
#
Description
Price
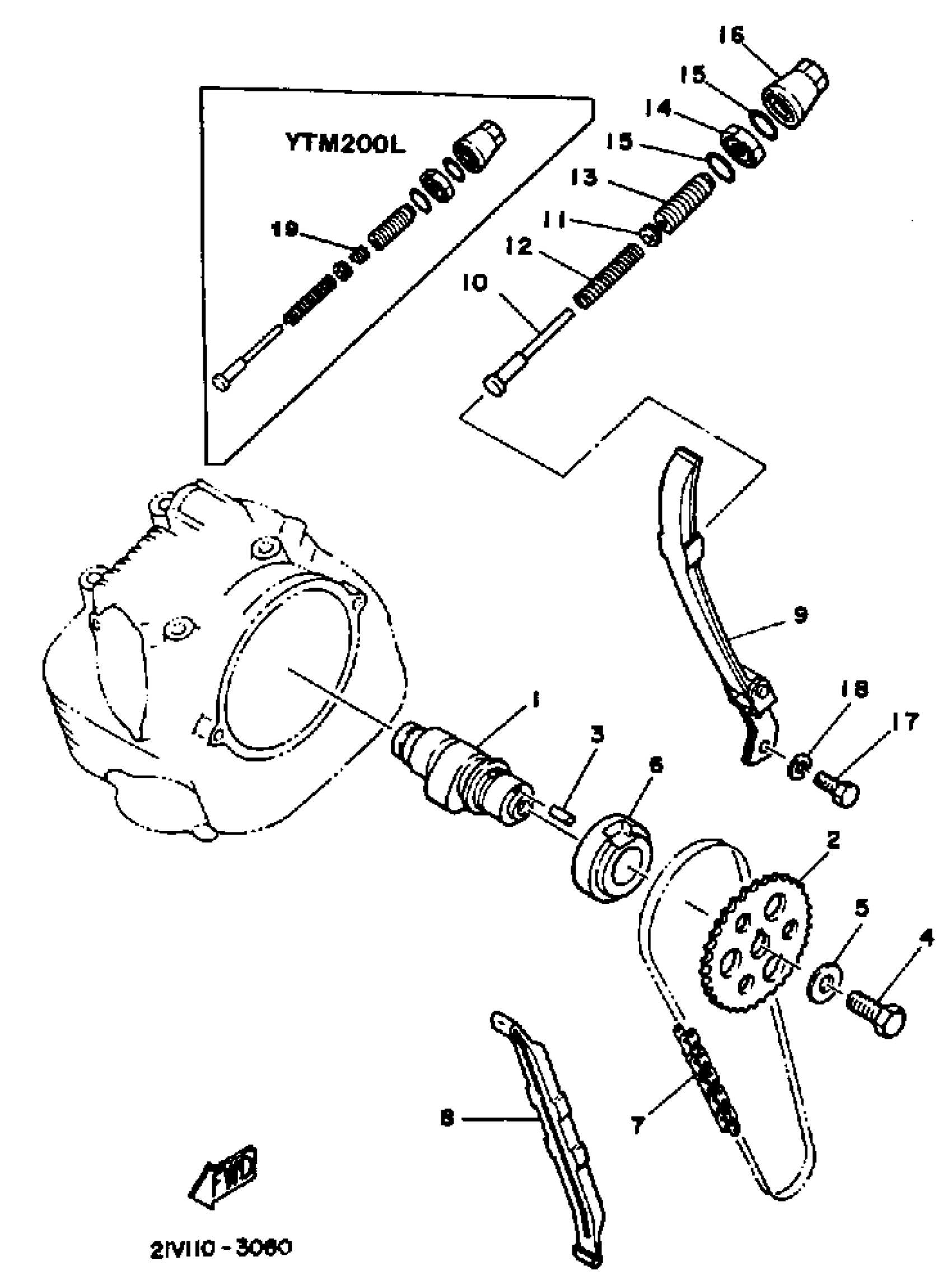
8
GUIDE, STOPPER 1
5H0-12231-01-00
Unavailable
10
ROD, CHAIN TENSIONER
25A-12217-00-00
Unavailable
11
DAMPER
3Y1-12232-00-00
Unavailable
13
SCREW
90149-14182-00
Unavailable
14
NUT (3Y1)
90179-14298-00
Unavailable
15
O-RING (26H)
93210-16629-00
Unavailable
16
CASE, CHAIN TENSIONER
3Y1-12212-00-00
Unavailable
17
BOLT, HEXAGON DEEP RECESS
97D95-06016-00
Unavailable
18
WASHER, PLAIN (646)
92990-06600-00
Unavailable
19
SPRING, COMPRESSION (5Y1)
90501-22721-00
Unavailable
