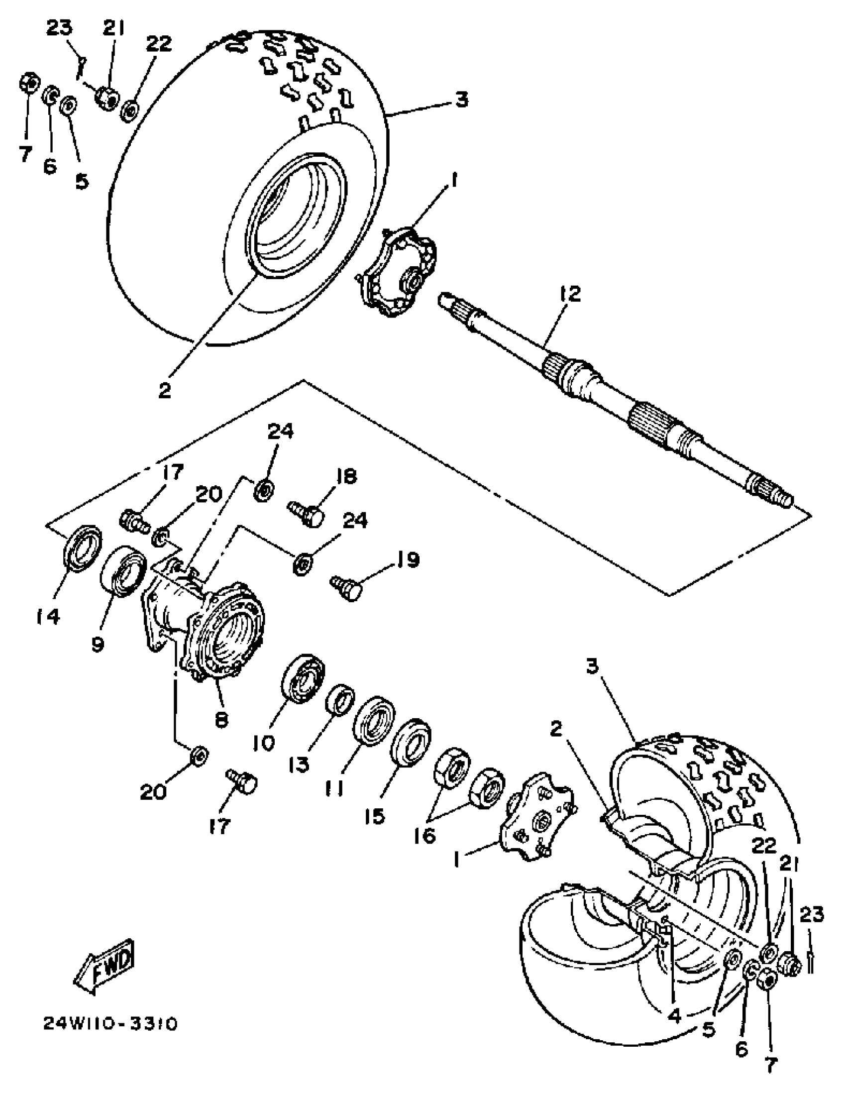
Yamaha YTM200ERN 1985 REAR WHEEL Diagram
#
Description
Price
1
COLLAR, WHEEL
24W-25383-00-00
Unavailable
2
WHEEL,REAR
2HT-25390-00-35
Unavailable
3
25X12-9 KT430 DUN.
94112-090H4-00
Unavailable
5
WASHER, PLAIN
92990-08200-00
Unavailable
8
HUB, REAR
52G-25311-00-00
Unavailable
9
BEARING (24W)
93399-99913-00
Unavailable
10
BEARING
93306-00803-00
Unavailable
11
OIL SEAL (21V)
93102-46274-00
Unavailable
12
AXLE, WHEEL
24W-25381-10-00
Unavailable
13
COLLAR, AXLE
24W-25386-00-00
Unavailable
14
COVER, HUB DUST
24W-25367-00-00
Unavailable
15
COVER, HUB DUST
21V-25367-00-00
Unavailable
16
NUT, SPECL SHAPE
90179-40419-00
Unavailable
17
BOLT,WITH WASHER
90119-10078-00
Unavailable
18
BOLT, WITH WASHER
90119-10090-00
Unavailable
19
BOLT, WITH WASHER
90119-10091-00
Unavailable
20
WASHER, PLATE (29U)
90201-104G0-00
Unavailable
21
NUT, CASTLE
90171-20036-00
Unavailable
22
WASHER, PLATE
90201-201H6-00
Unavailable
23
PIN, COTTER
91490-40045-00
Unavailable
24
WASHER, CLAW
(90214-10036-00)
Unavailable
