Yamaha YTM200EK 1983 CARBURETOR Diagram
#
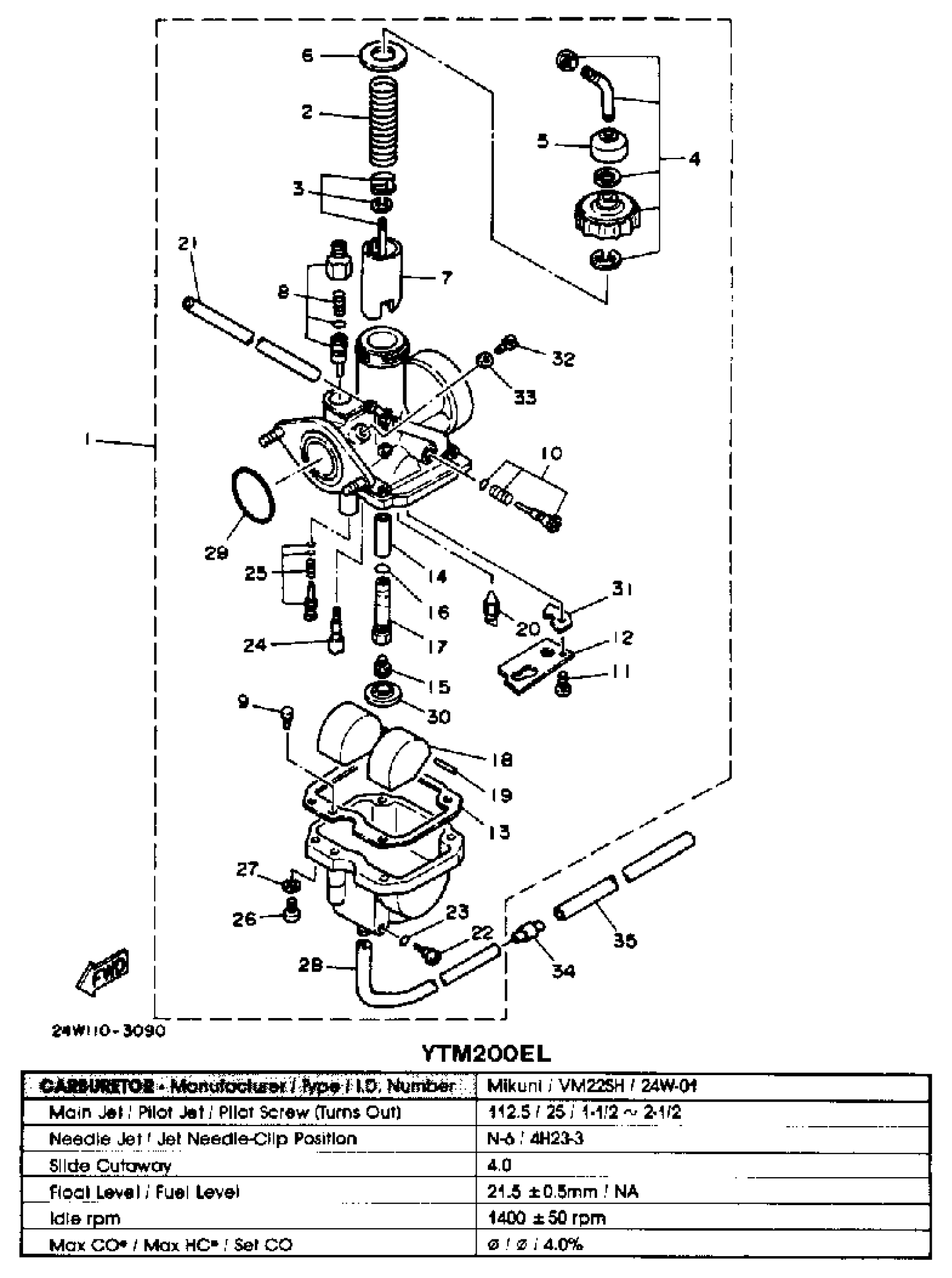
1
CARBURETOR ASSY 1
24W-14101-02-00
Unavailable
2
. SPRING, THROTTLE VALVE
21V-14131-00-00
Unavailable
3
. NEEDLE SET
24W-1490J-00-00
Unavailable
6
GASKET
4U5-14126-00-00
Unavailable
7
. VALVE, THROTTLE 1
24W-14112-40-00
Unavailable
9
. JET, STARTER
18M-14144-13-00
Unavailable
9
JET, STARTER
(18M-14144-17-00)
Unavailable
15
JET,MAIN #112.5
620-1423A-73-00
Unavailable
16
O-RING
583-14561-00-00
Unavailable
17
. JET, HOLDER
21V-14148-00-00
Unavailable
18
FLOAT
21V-14185-00-00
Unavailable
19
PIN, FLOAT
127-14186-00-00
Unavailable
20
NEEDLE VALVE ASSY
5HH-14190-18-00
Unavailable
21
HOSE (L540)
90445-084A7-00
Unavailable
22
PLUG, DRAIN
12R-14191-00-00
Unavailable
23
O-RING
214-14147-00-00
Unavailable
24
. JET, PILOT #25
3H1-14142-25-00
Unavailable
25
PILOT SCREW SET
21V-14105-00-00
Unavailable
26
SCREW, PAN HEAD(GA5)
98580-04014-00
Unavailable
27
WASHER, PLAIN (646)
92990-04600-00
Unavailable
28
HOSE (L1500)
90445-084J0-00
Unavailable
29
O-RING
24W-14147-00-00
Unavailable
30
WASHER, MAIN JET
5V7-14153-00-00
Unavailable
31
. PLATE
24W-14146-00-00
Unavailable
32
.. PLUG, SCREW
341-14991-00-00
Unavailable
33
.. WASHER, PLUG SCREW
584-14956-00-00
Unavailable
34
PIPE 2,OVERFLOW
24W-14193-00-00
Unavailable
35
TUBE, FLEXIBLE(3NV)
91A21-07020-00
Unavailable
