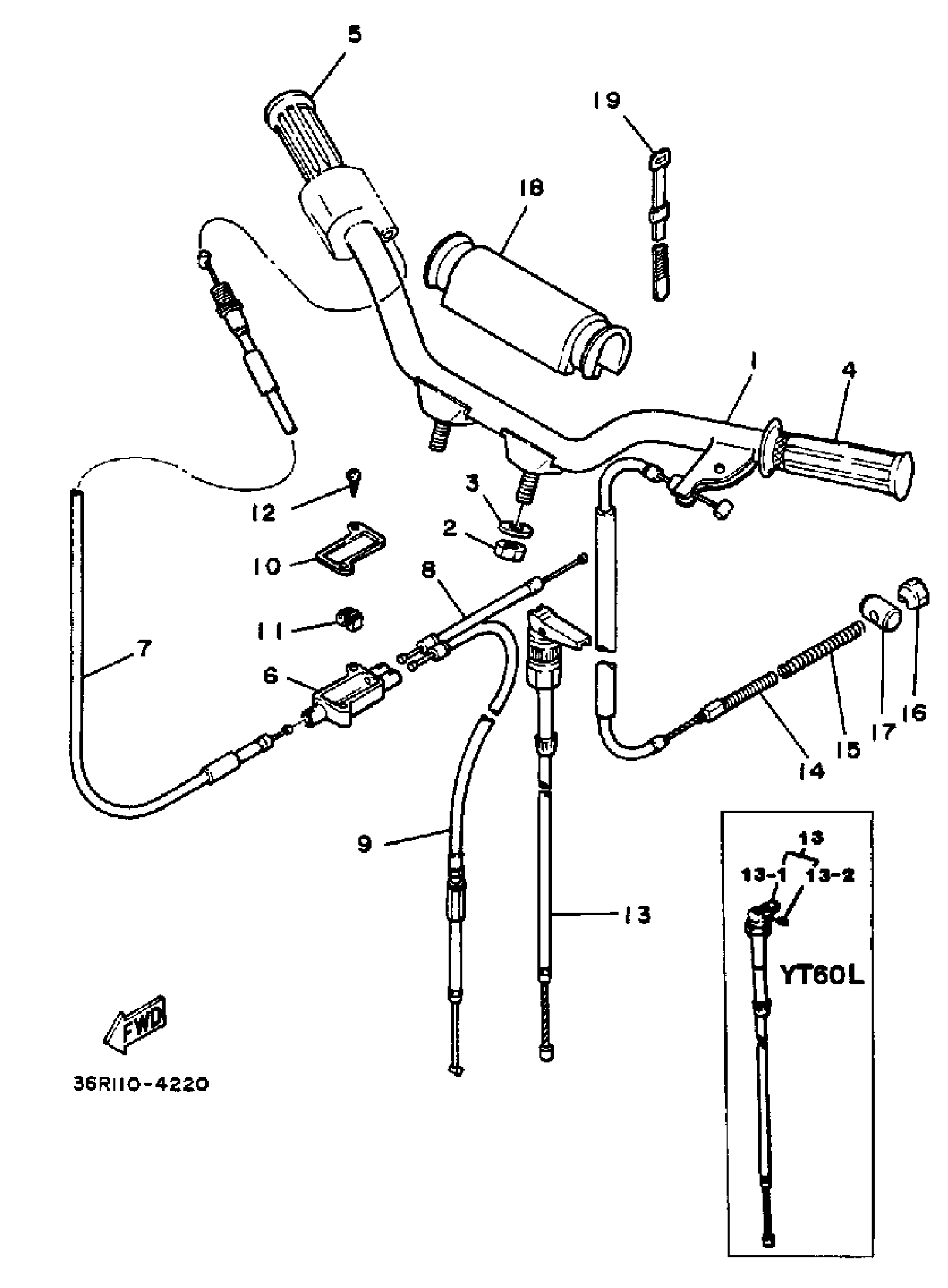
Yamaha YT60L 1984 HANDLEBAR-CABLE Diagram
#
Description
Price
1
HANDLEBAR
36R-26111-00-00
Unavailable
2
PIN, SPRING (663)
91690-30010-00
Unavailable
3
WASHER
2E9-26129-00-00
Unavailable
7
CABLE, THROTTLE 1
36R-26311-00-00
Unavailable
8
CABLE, THROTTLE 2
36R-26312-00-00
Unavailable
9
CABLE, PUMP
36R-26321-00-00
Unavailable
14
CABLE, BRAKE
36R-26351-00-00
Unavailable
15
SPRING, (180-27236-00)
90501-10245-00
Unavailable
16
NUT (25K)
90179-06411-00
Unavailable
17
PIN 1562723700
90249-12008-00
Unavailable
18
PROTECTOR, HDLBR
36R-26124-00-00
Unavailable
18
PROTECTOR, HDLBR
36R-26124-20-00
Unavailable
18
PROTECTOR, HDLBR
36R-26124-40-00
Unavailable
19
BAND, SWITCH CORD
437-83936-11-00
Unavailable
