Yamaha YT60L 1984 ELECTRICAL 2 Diagram
#
Description
Price
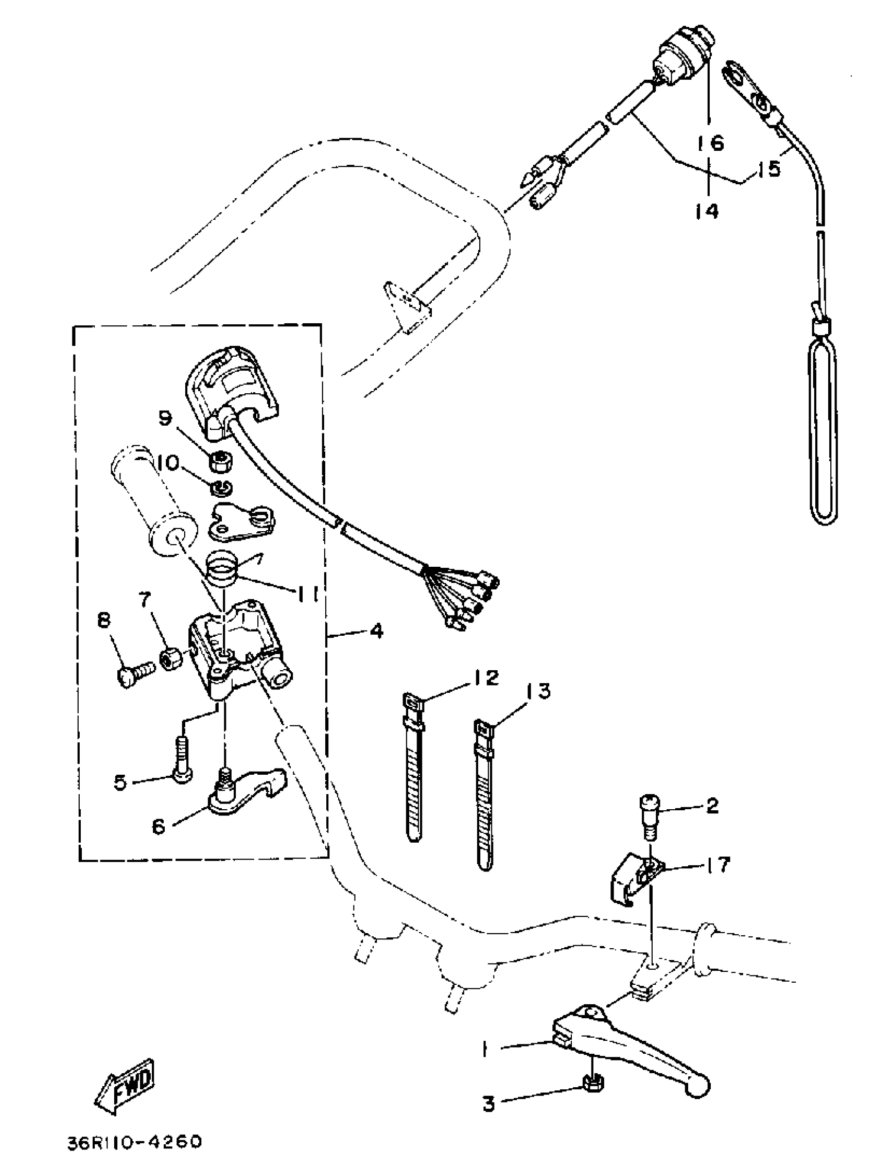
1
LEVER L
53L-83912-00-00
Unavailable
4
SWITCH, HANDLE 1 (36R-83976-01)
36R-83976-02-00
Unavailable
6
. LEVER, THROTTLE
36R-2625G-00-00
Unavailable
11
. SPRING, TORSION
90508-08655-00
Unavailable
14
STOP SWITCH ASSEMBLY
36R-82550-00-00
Unavailable
15
. DAMPER, STOPPER
36R-82556-00-00
Unavailable
16
. NUT
663-82557-00-00
Unavailable
17
LEVER LOCK ASSEMBLY
36R-83930-00-00
Unavailable
