Yamaha YT175K 1983 CARBURETOR Diagram
#
Description
Price
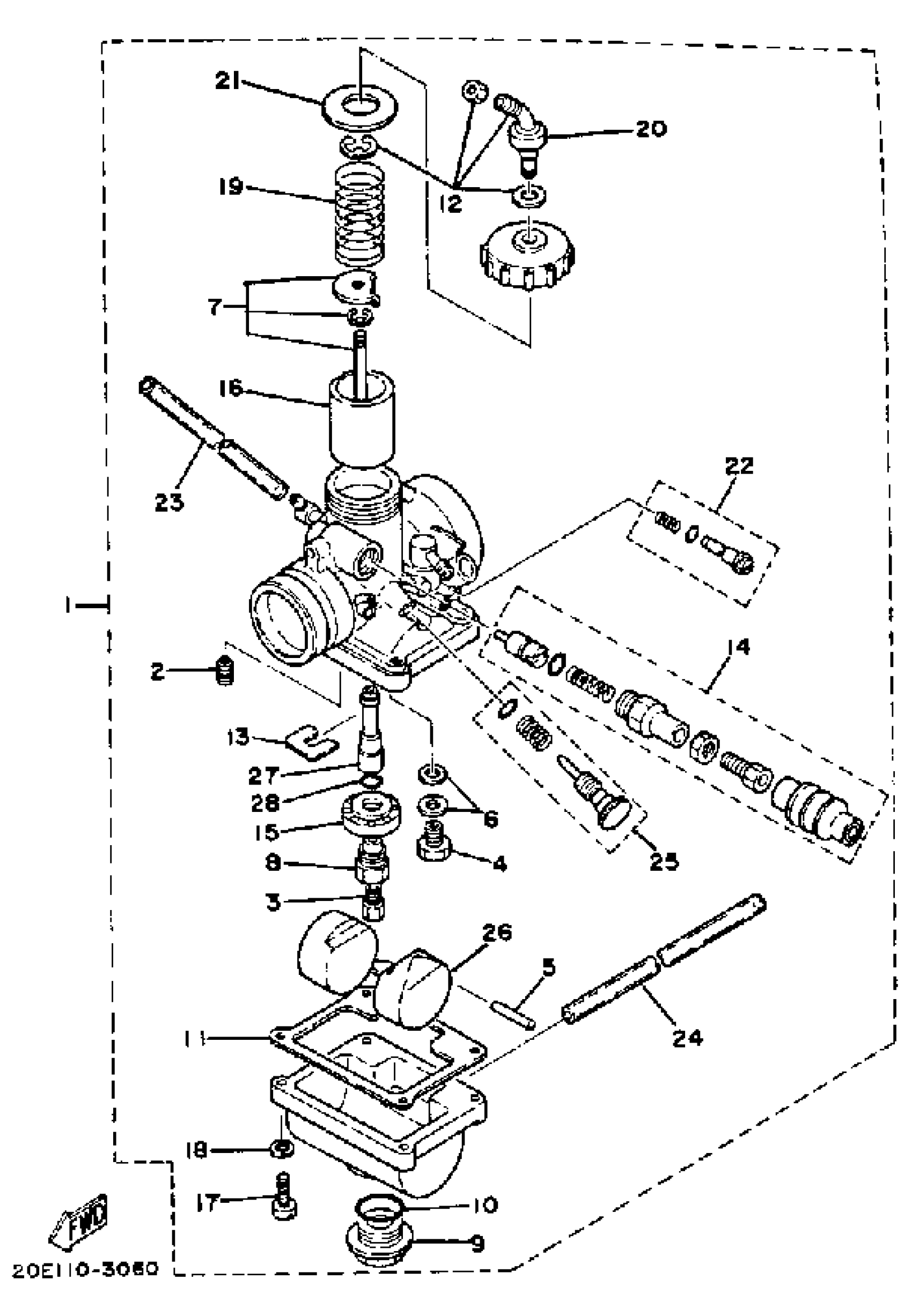
1
CARBURETOR ASSEMBLY 1
5V7-14101-00-00
Unavailable
7
. NEEDLE SET
20E-1490J-00-00
Unavailable
8
HOLDER
2N4-14145-00-00
Unavailable
13
PLATE
(5V7-14146-00-00)
Unavailable
14
STARTER SET
(20E-1410A-00-00)
Unavailable
16
VALVE, THROTTLE
314-14112-25-00
Unavailable
17
SCREW, PAN HEAD(GA5)
98580-04014-00
Unavailable
18
YBS67-4 WASHER, SPRING
92990-04100-00
Unavailable
19
SPRING, THROTTLE VALVE
248-14131-00-00
Unavailable
20
CAP
3X3-14169-00-00
Unavailable
21
GASKET
2A6-14126-00-00
Unavailable
22
AIR SCREW SET
10W-14104-00-00
Unavailable
23
PIPE 1
3XV-14348-20-00
Unavailable
24
PIPE 1
3XV-14348-20-00
Unavailable
25
THROTTLE SCREW SET
4AC-14103-00-00
Unavailable
26
FLOAT
493-14185-00-00
Unavailable
27
. NOZZLE, MAIN
4A7-14141-28-00
Unavailable
28
O-RING
214-14147-00-00
Unavailable
