Partiron

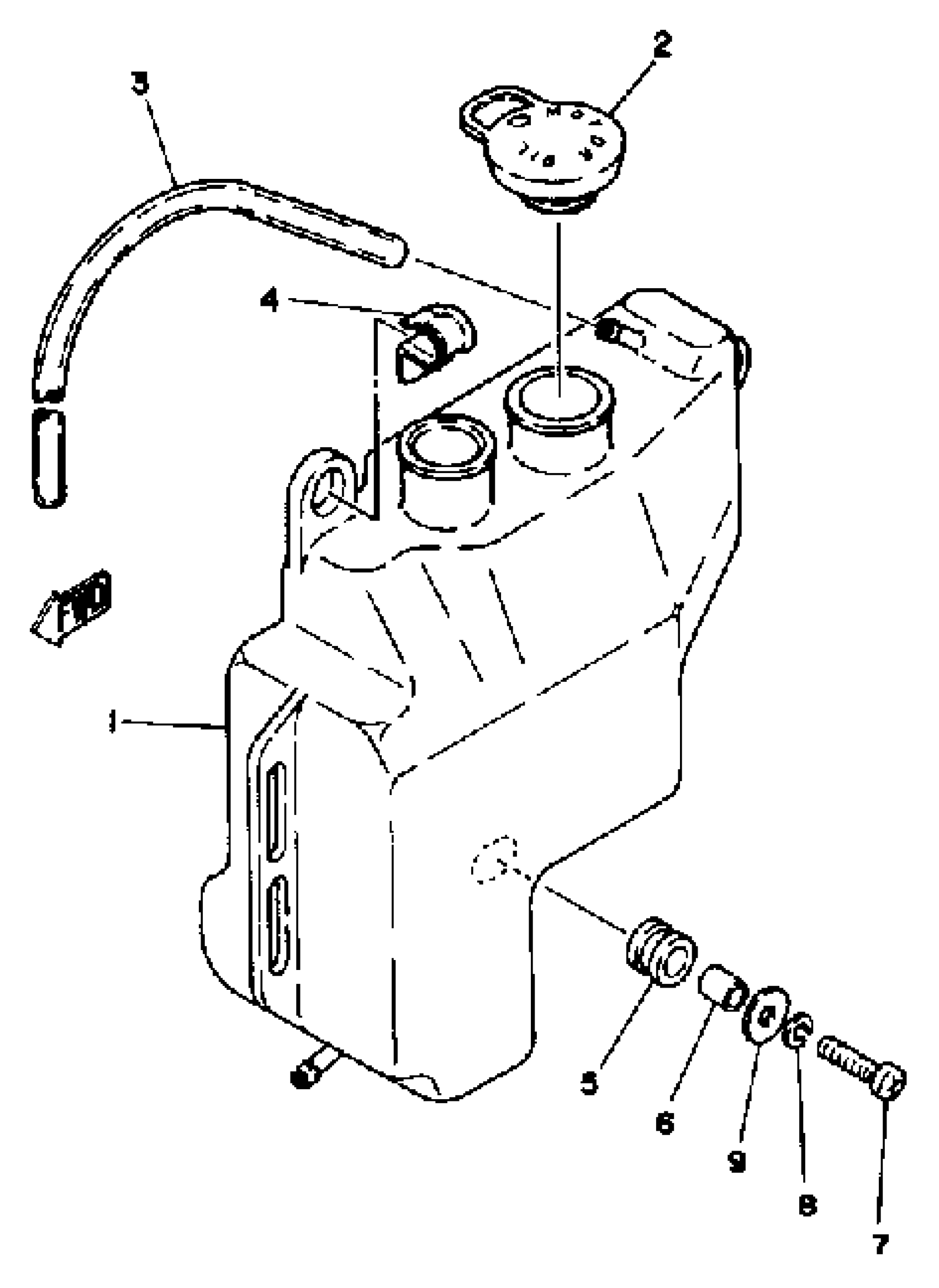
Yamaha YT175J 1982 OIL TANK Diagram

#

Description
Price

1

TANK, OIL

3X3-21751-00-00

Unavailable

2

BODY, CAP

1T9-21771-01-00

$7.99

3

HOSE (L1500)

90445-090F6-00

$31.99

4

CLAMP

90462-06044-00

Unavailable

5

GROMMET (J10)

90480-13238-00

$3.71

6

COLLAR (J10)

90387-06026-00

$8.49

7

SCREW, PAN HEAD (76T)

98517-06025-00

$3.77

8

WASHER, SPRING

92995-06100-00

Unavailable

9

WASHER, PLATE 8221447500

90201-06057-00

$5.60