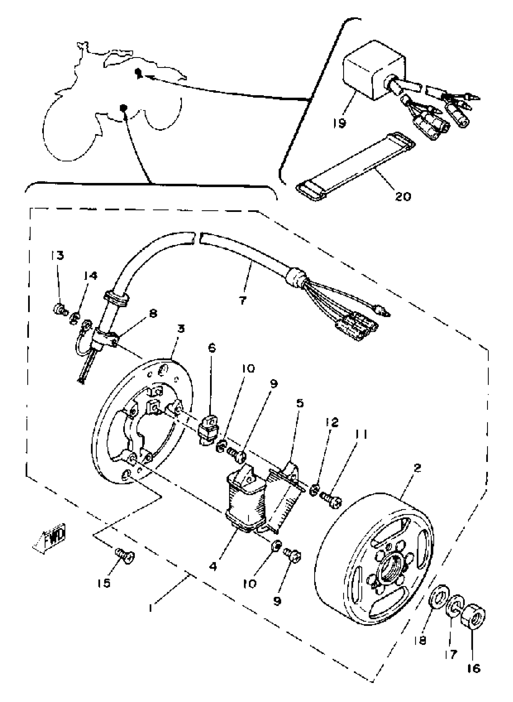
Yamaha YT175J 1982 C - D - I MAGNETO Diagram
#
Description
Price
1
CDI MAGNETO ASSEMBLY
5V7-85500-20-00
Unavailable
2
. ROTOR ASSEMBLY
5V7-85550-20-00
Unavailable
3
. BASE, MAGNETO
3M2-85509-21-00
Unavailable
4
. COIL SOURCE 2
3X3-85512-20-00
Unavailable
5
. COIL, LIGHTING 1
3X3-85513-20-00
Unavailable
6
. COIL, PULSER
5V7-85580-20-00
Unavailable
7
LEAD WIRE ASSEMBLY
(3X3-85515-20-00)
Unavailable
11
SCREW, PAN HEAD
98517-04025-00
Unavailable
13
SCREW, PAN HEAD(3XP)
98517-04006-00
Unavailable
15
SCREW, OVAL HEAD (92701-06012)
98603-06012-00
Unavailable
16
NUT(55K)
90170-12347-00
Unavailable
17
YBS67-12 WASHER,SPRING
92990-12100-00
Unavailable
18
WASHER, PLATE (583)
90201-12593-00
Unavailable
19
CDI UNIT ASSEMBLY
5V7-85540-20-00
Unavailable
20
BAND,BATTERY
7H3-82131-00-00
Unavailable
