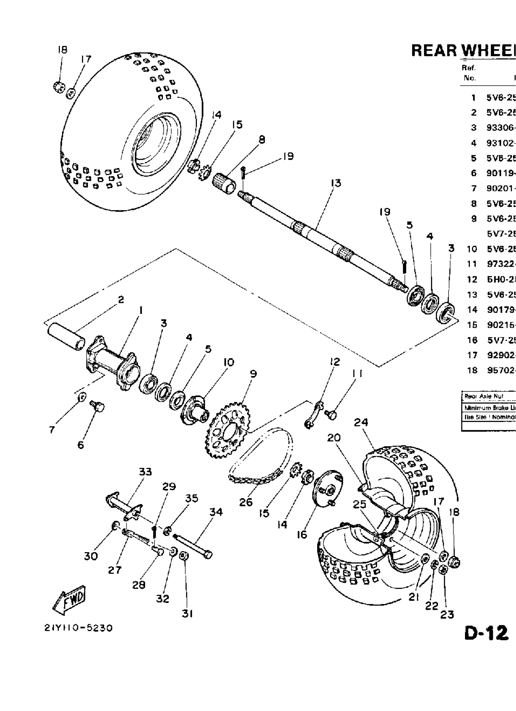
Yamaha YT125N 1985 REAR WHEEL Diagram
#
1
HUB, REAR
5V6-25311-00-00
Unavailable
2
SPACER
90560-35309-00
Unavailable
6
BOLT, WITH WASHER
90119-10065-00
Unavailable
8
COLLAR, SPRKT AXLE
5V6-25386-00-00
Unavailable
9
SPROCKET, DRVN 39T
5V6-25439-20-00
Unavailable
9
SPROCKET, DRVN 42T
5V7-25442-20-00
Unavailable
10
BOSS (5V6-25521-00)
5V6-25521-01-00
Unavailable
11
BOLT,HEXAGON
97017-10016-00
Unavailable
13
AXLE, WHEEL
5V6-25381-00-00
Unavailable
14
NUT, SPEC''L SHAPE
90179-32365-00
Unavailable
15
WASHER, LOCK
90215-33195-00
Unavailable
16
COLLAR, WHEEL (3X3-25383-00)
5V7-25383-00-00
Unavailable
17
WASHER(3JP)
92903-20600-00
Unavailable
18
NUT, FLANGE
95707-20300-00
Unavailable
19
PIN, COTTER
91490-40045-00
Unavailable
20
WHEEL, FRONT
29U-25180-00-35
Unavailable
21
958-69527-00 WASHER, PLAIN
92990-10200-00
Unavailable
22
YBS67-10 WASHER, SPRING
92990-10100-00
Unavailable
23
NUT(3BM)
95314-10600-00
Unavailable
24
22X11.00-8 KT221TL
94122-11572-00
Unavailable
25
VALVE, RIM(2GH)
93900-00030-00
Unavailable
26
SEALED CHAIN YT175
94580-40050-00
Unavailable
26
DID520V-48L SEALED
94581-18048-00
Unavailable
27
PULLER, CHAIN 2
5V6-25389-00-00
Unavailable
28
PIN, CLEVIS (24X)
90240-06103-00
Unavailable
29
PIN, COTTER
91490-20025-00
Unavailable
30
YBS66-6 WASHER, PLAIN
92990-06200-00
Unavailable
31
NUT, U
95617-08100-00
Unavailable
32
.. WASHER, PLATE
92990-08600-00
Unavailable
33
PULLER, CHAIN 1
5V6-25388-00-00
Unavailable
33
PULLER, CHAIN 1
5V7-25388-00-00
Unavailable
34
BOLT
90109-08630-00
Unavailable
35
YBS67-10 WASHER, SPRING
92990-10100-00
Unavailable
