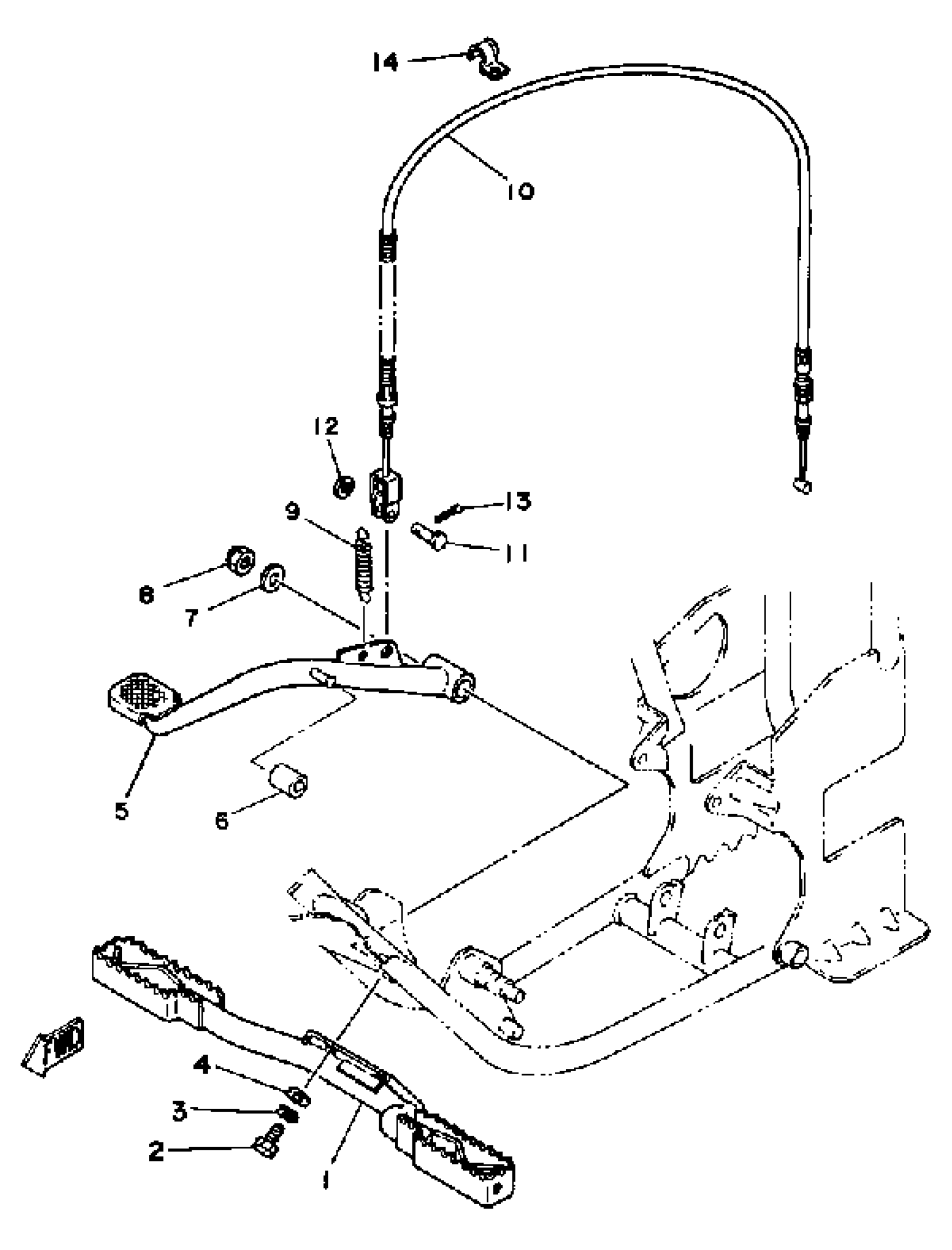
Yamaha YT125G 1980 FOOTREST YT125H - J Diagram
#
Description
Price
1
FOOTREST 1
3X3-27411-00-00
Unavailable
1
FOOTREST 1
5V6-27411-00-00
Unavailable
4
.. WASHER, PLATE
92990-08600-00
Unavailable
5
PEDAL, BRAKE
3X3-27211-00-00
Unavailable
6
STOPPER
3X3-27214-00-00
Unavailable
8
NUT, U
95616-10100-00
Unavailable
10
CABLE, BRAKE
3X3-26350-00-00
Unavailable
10
CABLE, BRAKE
(5V6-26350-00-00)
Unavailable
14
CLAMP
90462-06044-00
Unavailable
