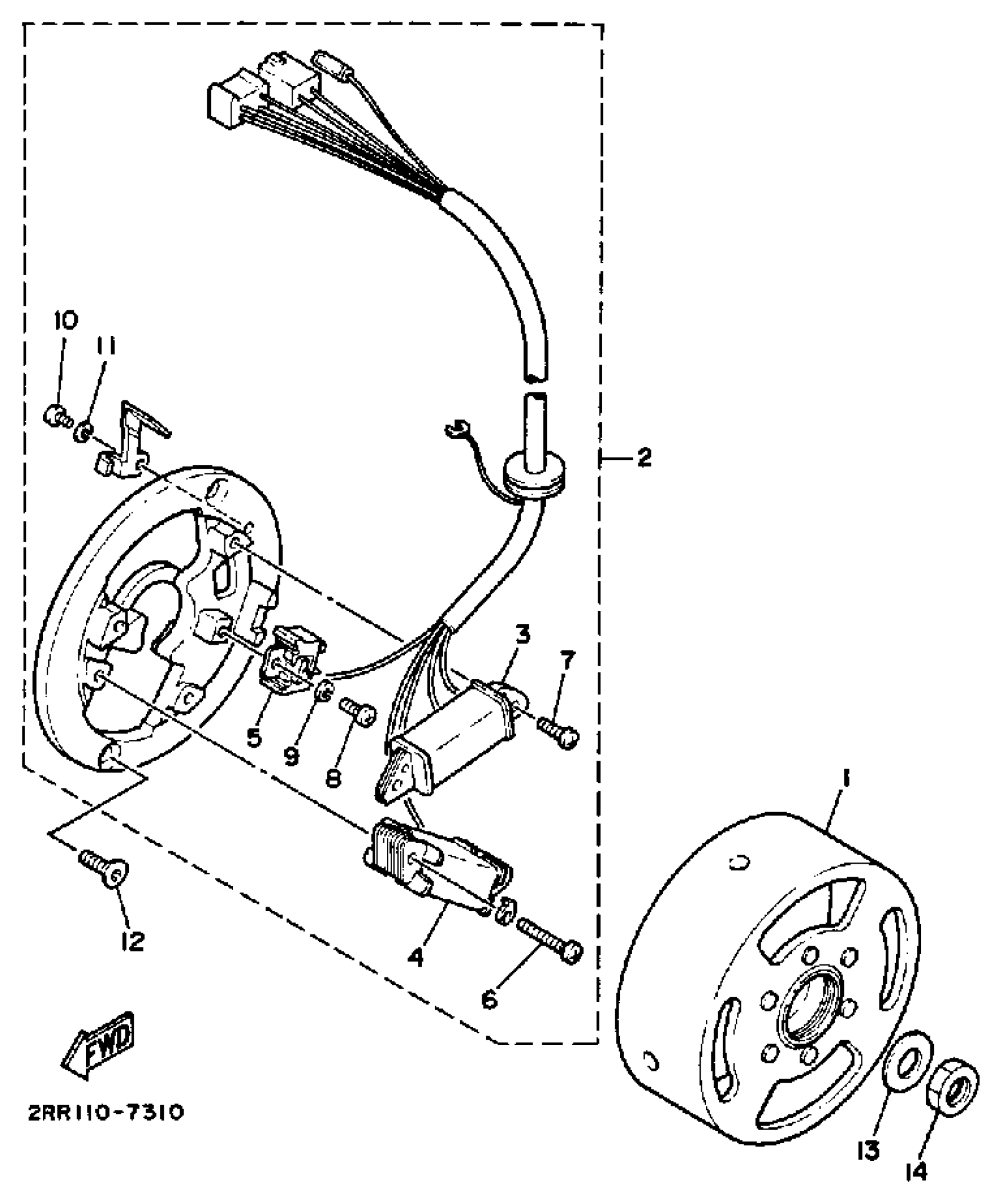
GENERATOR
#
1
2AL-85550-M3-00
Unavailable
2
3AX-85560-00-00
Unavailable
3
4Y4-85520-M1-00
Unavailable
4
2RR-81313-M0-00
Unavailable
5
2AL-85580-M0-00
Unavailable
6
98517-04025-00
Unavailable
7
98511-04012-00
Unavailable
10
98517-04006-00
Unavailable
Edit ride
