- Partiron
- OEM Parts
- Yamaha
- motorcycle
- 1990
- YSR50A (YSR50A) 1990
TAILLIGHT
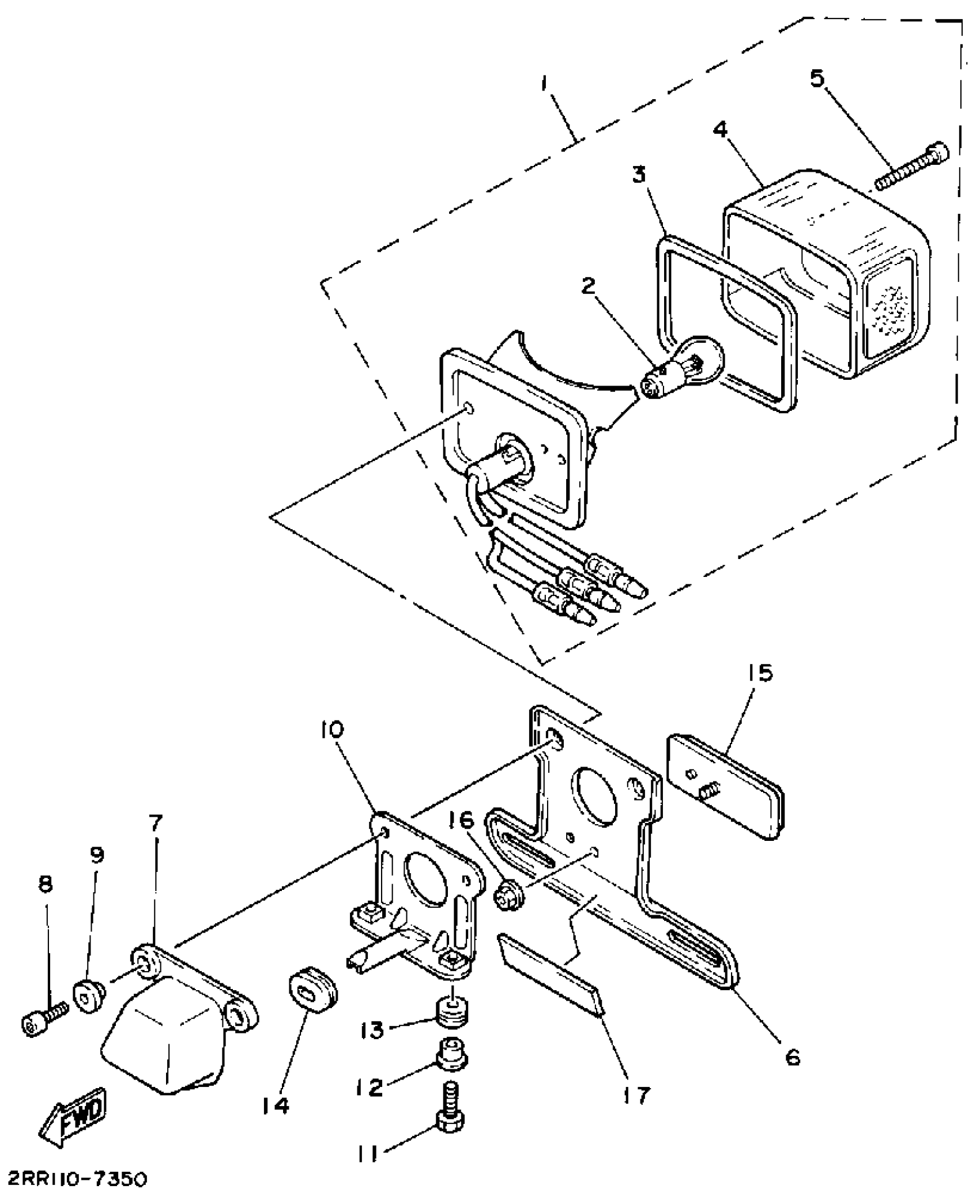
Yamaha YSR50A (YSR50A) 1990 TAILLIGHT Diagram
#
Description
Price
1
TAILLIGHT UNIT ASSEMBLY
1M1-84510-60-00
Unavailable
2
. BULB
1M1-84514-60-00
Unavailable
6
BRACKET,LICENSE
1UV-84751-00-R4
Unavailable
7
COVER
3L8-84544-00-00
Unavailable
8
BOLT, HEXAGON SOCKET HEAD(1KF)
90110-06104-00
Unavailable
10
BRACKET, TAILLIGHT
2RR-84519-00-00
Unavailable
14
GROMMET(1KT)
90480-01445-00
Unavailable
15
REAR REFLECTOR ASSY
3Y6-85130-02-00
Unavailable
16
NUT, FLANGE(3GM)
95707-05500-00
Unavailable
17
DAMPER 2
34M-21639-00-00
Unavailable
