Partiron

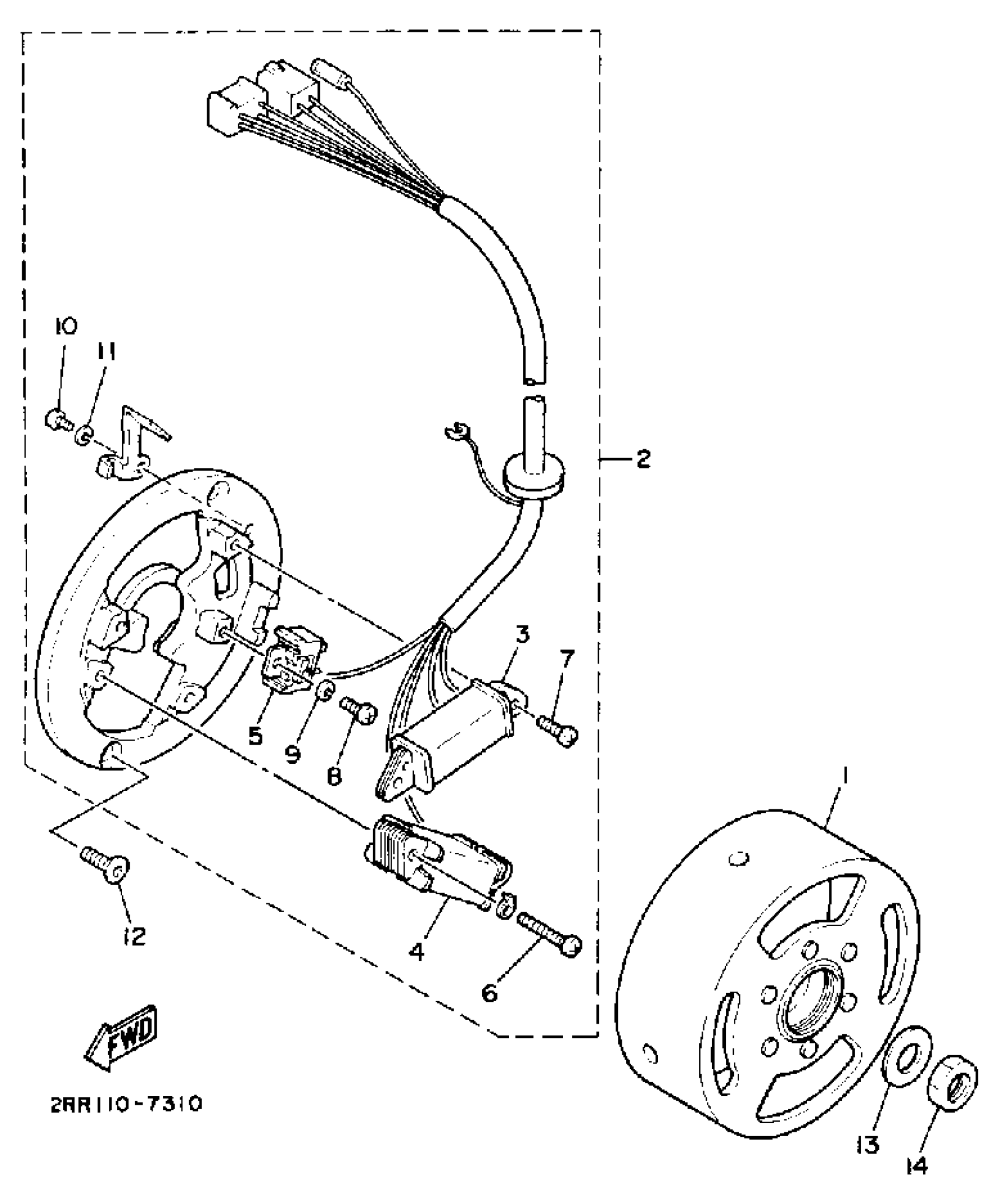
Yamaha YSR50A (YSR50A) 1990 GENERATOR Diagram

#

Description
Price

1

ROTOR ASSY

2AL-85550-M3-00

Unavailable

2

BASE ASSEMBLY

3AX-85560-00-00

Unavailable

3

COIL, CHARGE

4Y4-85520-M1-00

Unavailable

4

. COIL, LIGHTING 1

3AX-81313-00-00

Unavailable

5

COIL, PULSER

2AL-85580-M0-00

Unavailable

6

SCREW, PAN HEAD

98517-04025-00

Unavailable

7

SCREW, PAN HEAD

98511-04012-00

Unavailable

8

SCREW, PAN HEAD (E56)

98580-04010-00

$8.49

9

YBS67-4 WASHER, SPRING

92990-04100-00

$0.86

10

SCREW, PAN HEAD(3XP)

98517-04006-00

Unavailable

11

YBS67-4 WASHER, SPRING

92990-04100-00

$0.86

12

SCREW, COUNTERSUNK

90151-05048-00

$7.49

13

WASHER, PLATE(1HR)

90201-123L6-00

$13.99

14

NUT(3EF)

90179-12657-00

$5.60