- Partiron
- OEM Parts
- Yamaha
- motorcycle
- 1990
- YSR50A (YSR50A) 1990
ELECTRICAL 1
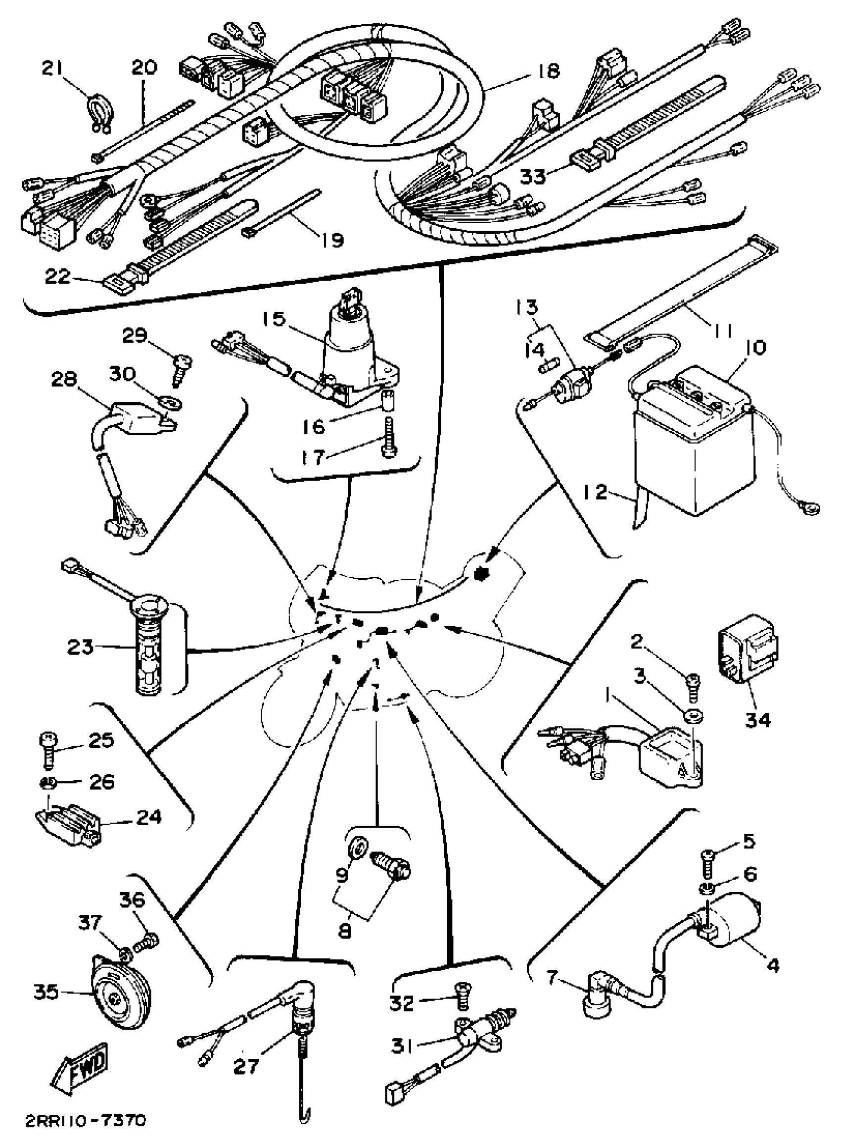
Yamaha YSR50A (YSR50A) 1990 ELECTRICAL 1 Diagram
#
Description
Price
1
CDI UNIT ASSEMBLY
2GX-85540-M0-00
Unavailable
6
WASHER, SPRING
92995-06100-00
Unavailable
9
GASKET
296-82543-00-00
Unavailable
10
6N4-2A-2 GS BATTERY
6N4-2A200-00-00
Unavailable
15
MAIN SWCH STRG LCK
3TU-82501-00-00
Unavailable
16
COLLAR (1M1)
90387-06553-00
Unavailable
17
SCREW
90149-06182-00
Unavailable
18
WIRE HARNESS ASSEMBLY
2RR-82590-00-00
Unavailable
19
BAND
1UA-82591-00-00
Unavailable
20
BAND, SWITCH CORD
437-83936-11-00
Unavailable
21
CLAMP (3Y2)
90464-16039-00
Unavailable
22
BAND
1UA-82591-00-00
Unavailable
23
OIL LEVEL GAUGE ASSY
5GP-85720-00-00
Unavailable
24
RECTIFIER/REG ASSY
1RH-81960-A0-00
Unavailable
26
WASHER, SPRING
92995-06100-00
Unavailable
27
STOP SWITCH ASSY
4GY-82530-01-00
Unavailable
28
CONTROL UNIT ASSEMBLY
4Y3-85590-M0-00
Unavailable
31
SWITCH, SIDE STAND
33E-82566-00-00
Unavailable
32
SCREW, FLAT
98707-05014-00
Unavailable
33
BAND
1UA-82591-00-00
Unavailable
34
FLASHER RELAY ASSEMBLY
20G-83350-60-00
Unavailable
35
HORN
36X-83371-11-00
Unavailable
36
BOLT (661)
97013-06012-00
Unavailable
37
WASHER, SPRING
92995-06100-00
Unavailable
