- Partiron
- OEM Parts
- Yamaha
- motorcycle
- 1964
- YJ1 (RIVERSIDE 55) 1964
TRANSMISSION
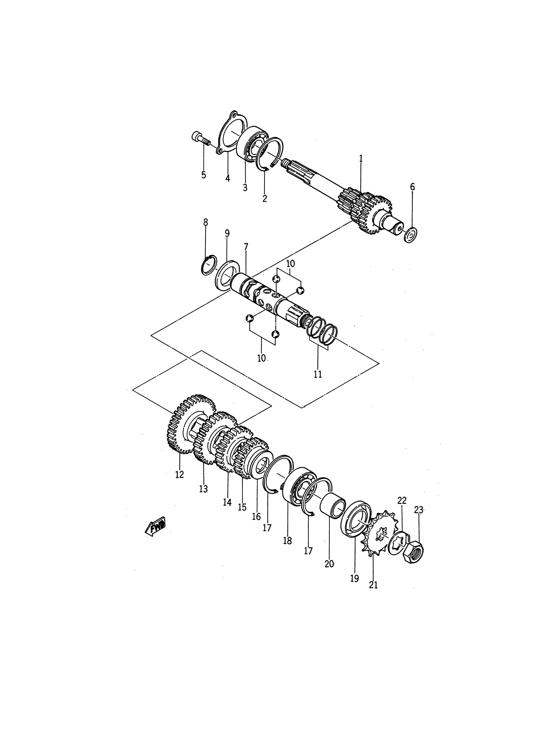
Yamaha YJ1 (RIVERSIDE 55) 1964 TRANSMISSION Diagram
#
Description
Price
1
MAIN AXLE
122-17410-00-00
Unavailable
2
CIR-CLIP (70R)
93420-40064-00
Unavailable
4
PLATE, BRNG COVER
102-15381-00-00
Unavailable
6
PLUG,EXPANSION
90330-20004-00
Unavailable
7
AXLE, DRIVE
(122-17421-00-00)
Unavailable
9
SHIM 1
102-17427-00-00
Unavailable
10
BALL
93509-32012-00
Unavailable
11
SPRING, BALL HOLD
122-17479-00-00
Unavailable
12
GEAR, 1ST WHEEL
122-17211-00-00
Unavailable
13
GEAR, 2ND WHEEL
122-17221-00-00
Unavailable
14
GEAR, 3RD WHEEL
122-17231-00-00
Unavailable
15
GEAR, 4TH WHEEL
122-17241-00-00
Unavailable
17
CIRCLIP, INNER
93450-47011-00
Unavailable
18
BEARING(1YW)
93306-20461-00
Unavailable
19
OIL SEAL (28X47X7-102)
93102-28022-00
Unavailable
20
COLLAR
90387-20346-00
Unavailable
21
SPROCKET,DRIVE 14T(5171746142)
93812-14035-00
Unavailable
21
SPROCKET,DRIVE 15T(5171746152)
93812-15063-00
Unavailable
21
SPROCKET, DRIVE (166-17461-60)
93812-16092-00
Unavailable
22
WASHER, LOCK (1L8)
90215-16127-00
Unavailable
23
NUT,SPEC'L SHAPE
90179-16018-00
Unavailable
