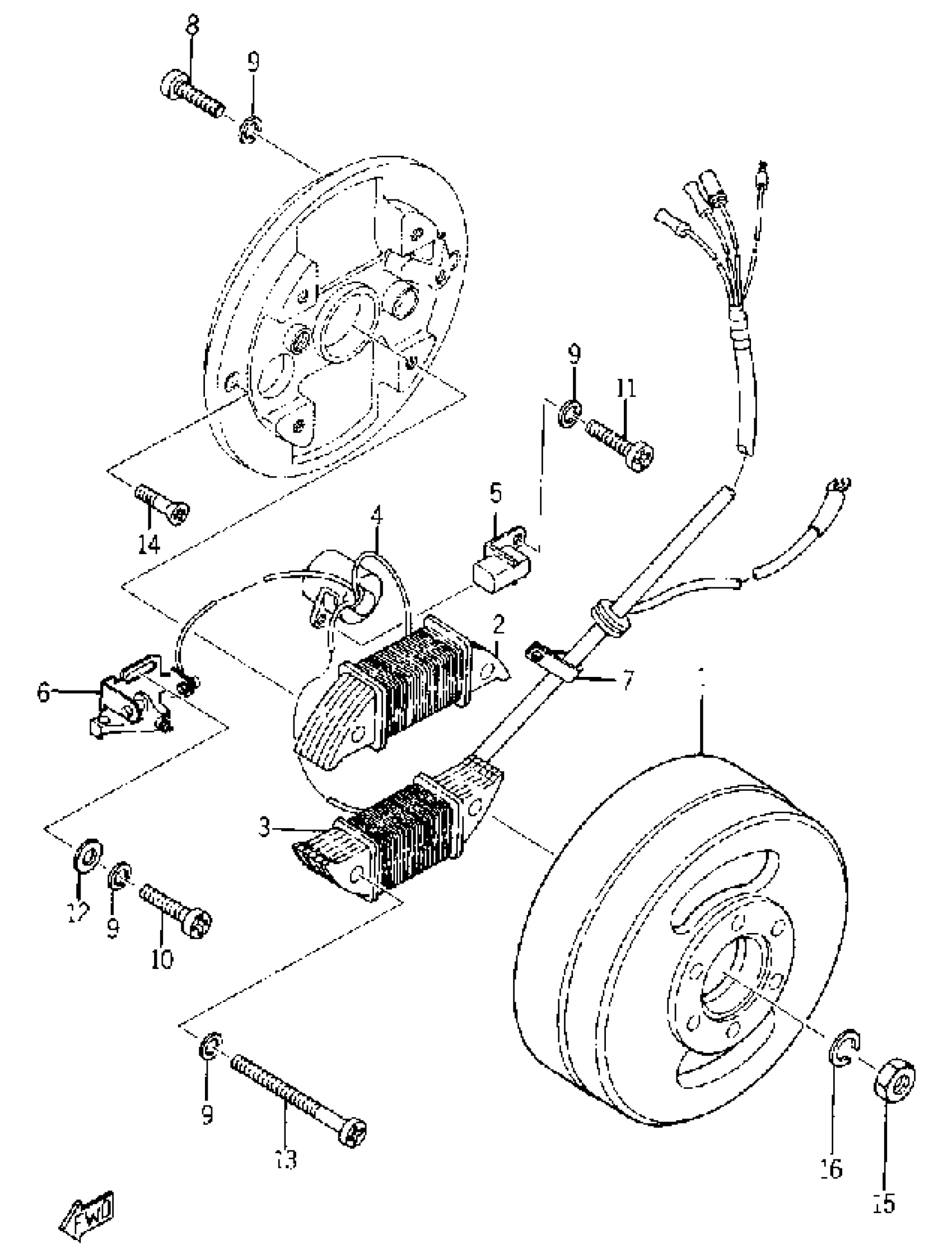
FLYWHEEL MAGNETO
#
1
(110-81300-21-00)
Unavailable
2
(207-81312-20-00)
Unavailable
3
(109-81313-20-00)
Unavailable
4
296-81325-90-00
Unavailable
5
116-81331-20-00
Unavailable
6
109-81321-20-00
Unavailable
8
(92503-04008-00)
Unavailable
10
(92503-04012-00)
Unavailable
11
92501-04010-00
Unavailable
13
(92501-04025-00)
Unavailable
14
(92203-05018-00)
Unavailable
15
90185-10031-00
Unavailable
16
92990-10100-00
Unavailable
Edit ride
