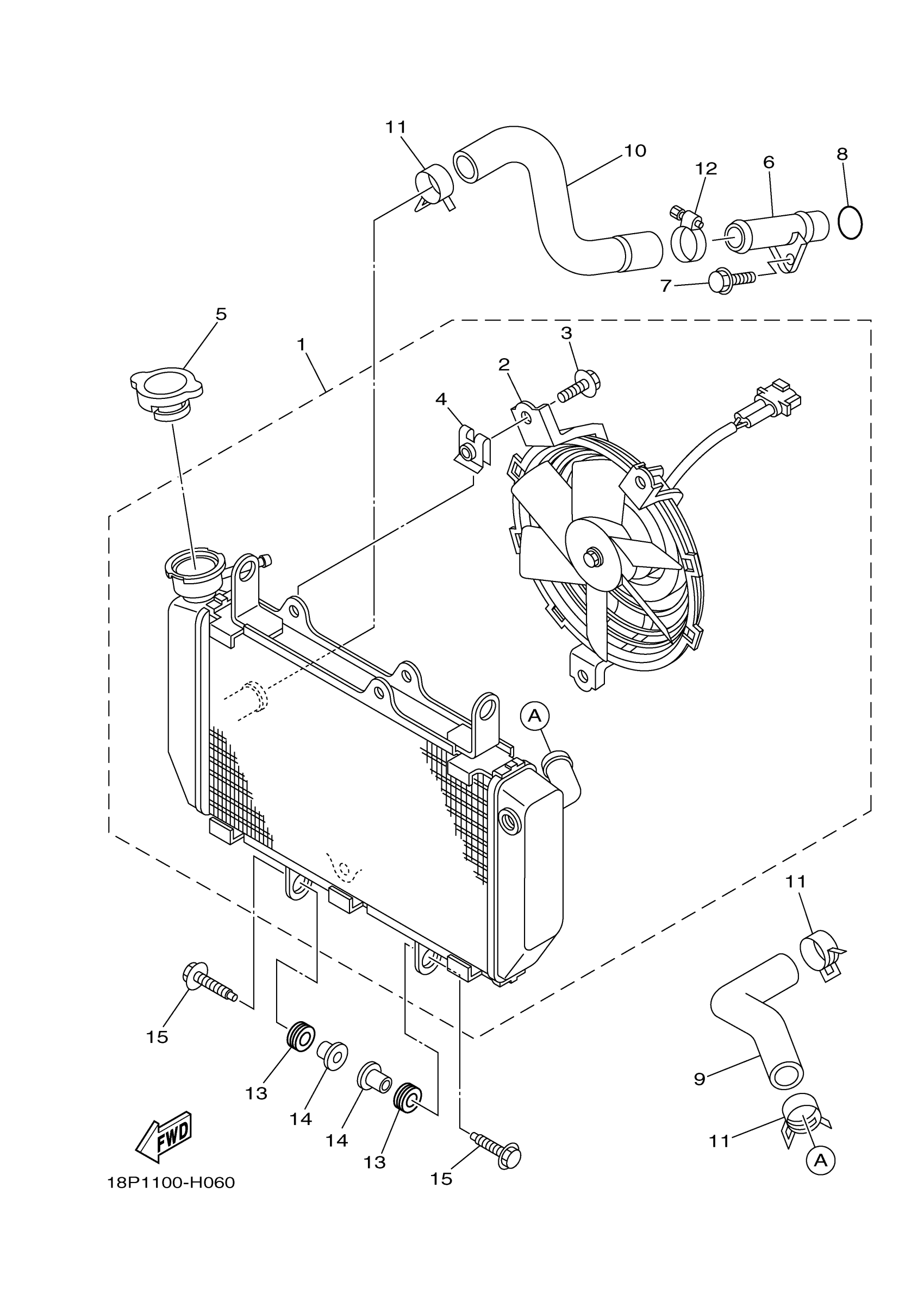
Yamaha YFZ45RDW (YFZ450R) 18PP0 2013 RADIATOR HOSE Diagram
#
Description
Price
1
RADIATOR ASSY
18P-1240A-00-00
Unavailable
2
BLOWER ASSY
18P-12405-00-00
Unavailable
14
COLLAR 437216330000
90387-07391-00
Unavailable
