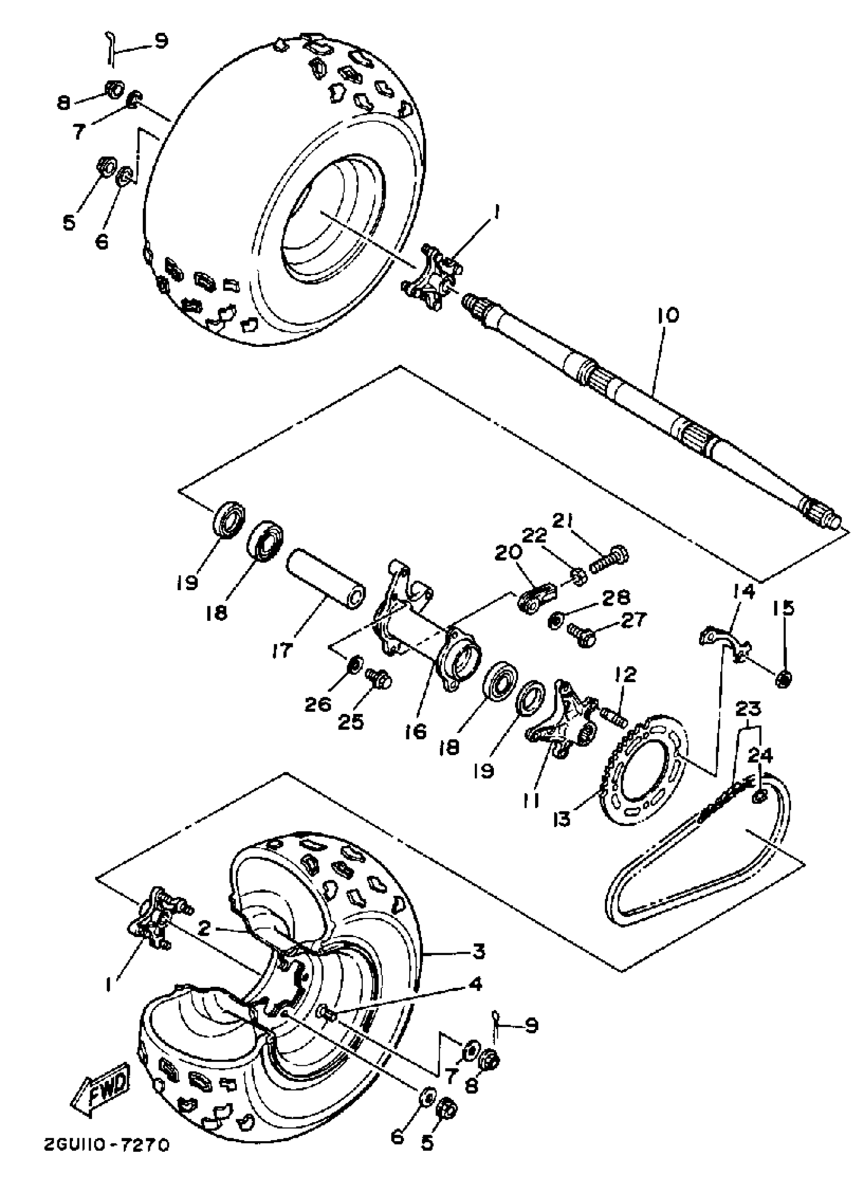
Yamaha YFZ350T_87 (BANSHEE) 1987 REAR WHEEL Diagram
#
Description
Price
2
REAR WHEEL COMP.
2XK-25390-02-7H
Unavailable
3
TIRE (AT22X10-9*KT775B T/L N)
94110-090X4-00
Unavailable
7
WASHER, PLATE
90201-140A6-00
Unavailable
10
AXLE, WHEEL
38W-25381-10-00
Unavailable
11
COLLAR,SPRKT AXLE
99999-03134-00
Unavailable
13
SPROCKET, DRVN 42T (2GU-25442-20-33)
2GU-25442-20-00
Unavailable
14
WASHER
5Y1-25412-00-00
Unavailable
16
HUB, REAR
2GU-25311-00-35
Unavailable
17
SPACER(38W)
90560-35263-00
Unavailable
18
BEARING(38W)
93306-00705-00
Unavailable
19
OIL SEAL(38W)
93102-43341-00
Unavailable
20
PULLER, CHAIN 1
1UY-25388-00-00
Unavailable
21
BOLT(4SR)
90101-08777-00
Unavailable
22
NUT(6L2)
95333-08600-00
Unavailable
23
CHAIN
9Y581-87103-00
Unavailable
24
. JOINT, CHAIN (34L) (DID50HDS)
94680-50011-00
Unavailable
25
BOLT, FLANGE
99999-03487-00
Unavailable
26
WASHER, PLATE (8K2)
90201-120A5-00
Unavailable
27
BOLT, WASHER BASED
90105-10418-00
Unavailable
28
WASHER, PLATE (17K)
90201-106F2-00
Unavailable
