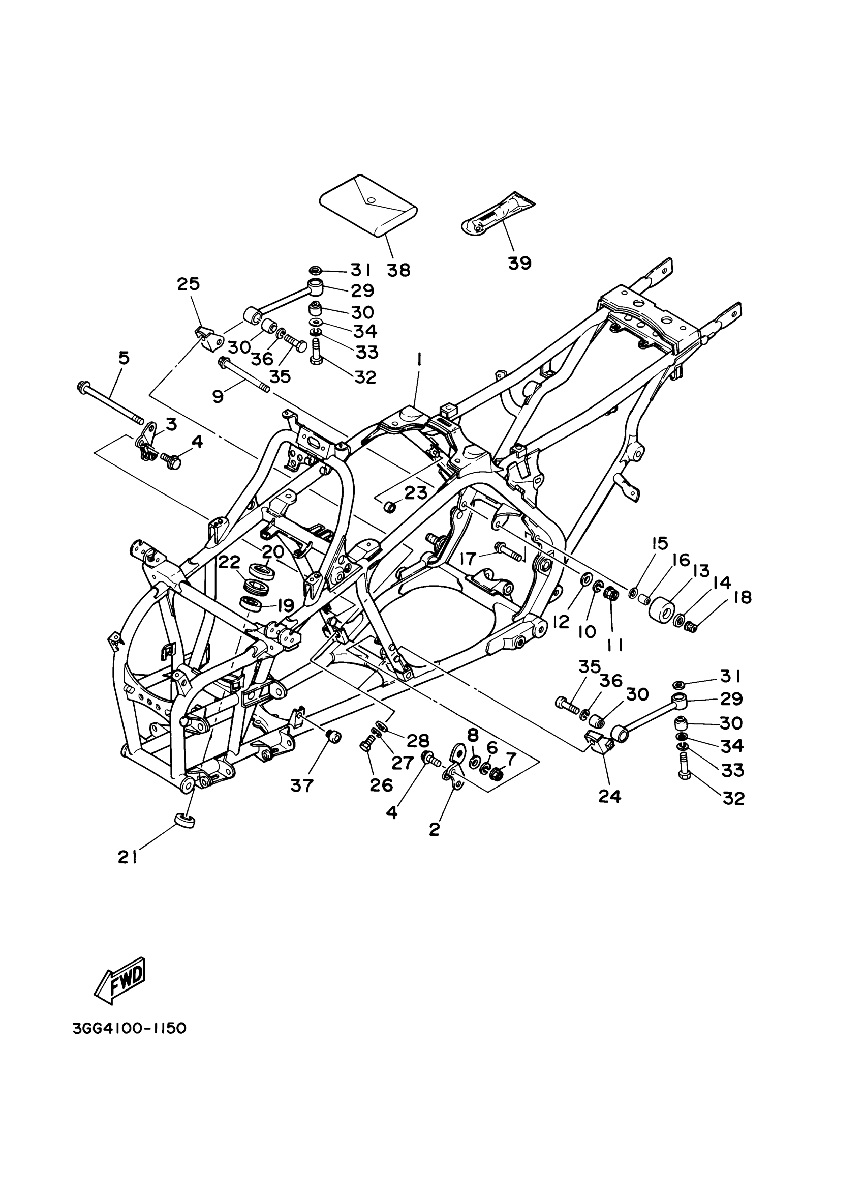
Yamaha YFZ350S (BANSHEE) 5FKP 2004 FRAME Diagram
#
Description
Price
1
FRAME COMP.
3GG-21110-21-P1
Unavailable
1
FRAME COMP.
3GG-21110-21-P2
Unavailable
8
WASHER, PLATE
92990-10600-00
Unavailable
12
WASHER, PLATE
92990-10600-00
Unavailable
15
WASHER, PLATE(3XP)
90201-086P8-00
Unavailable
16
COLLAR(1NL)
90387-086N4-00
Unavailable
17
BOLT, SMALL FLANGE
95027-08045-00
Unavailable
18
NUT, SELF-LOCKING
90185-08169-00
Unavailable
19
BEARING
93306-20348-00
Unavailable
20
OIL SEAL (25X44X6-810)
93102-25081-00
Unavailable
21
OIL SEAL (25X36X8-334)
93102-25099-00
Unavailable
22
HOLDER, BEARING
2GU-23872-00-00
Unavailable
23
GROMMET (5G0)
90480-12299-00
Unavailable
24
STAY, ENGINE 3
2GU-21317-10-00
Unavailable
25
STAY, ENGINE 5
2GU-21318-10-00
Unavailable
26
BOLT(8BT)
97017-10020-00
Unavailable
28
WASHER(6TA)
92907-10600-00
Unavailable
29
STAY, ENGINE 5
2GU-21314-00-00
Unavailable
30
DAMPER, RUBBER 1
4L0-21485-00-00
Unavailable
31
WASHER(6TA)
92907-10600-00
Unavailable
32
BOLT(3JP)
97017-10045-00
Unavailable
34
WASHER(6TA)
92907-10600-00
Unavailable
35
BOLT (6TC)
97017-10040-00
Unavailable
37
STOPPER, MAIN STAND
4N0-27114-00-00
Unavailable
38
TOOL KIT
2GU-28100-10-00
Unavailable
39
GAUGE, AIR
1NV-2811A-01-00
Unavailable
