Partiron

Yamaha YFZ350LER (BANSHEE LE) 5FKM 2003 TAILLIGHT Diagram

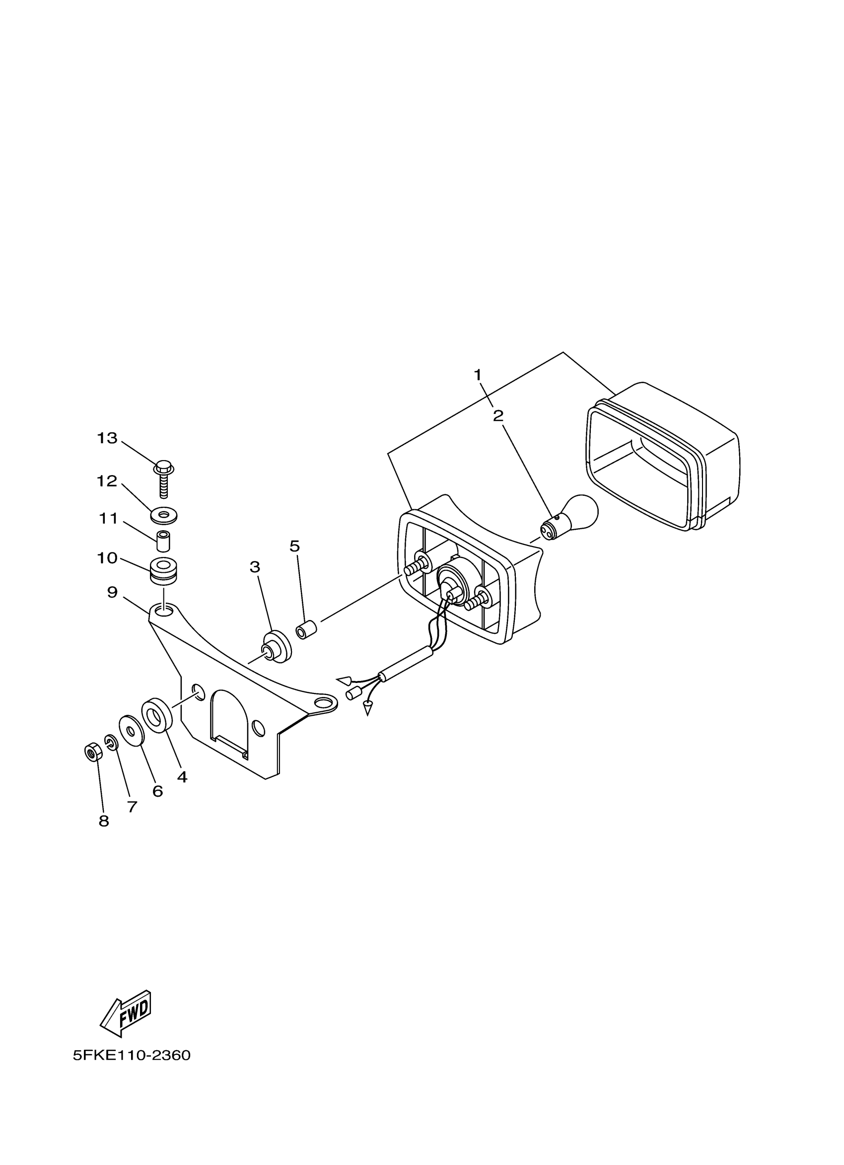
#

Description
Price

1

TAILLIGHT UNIT ASSY

3FA-84710-01-00

$47.99

2

BULB

1A2-84714-50-00

$14.49

3

GROMMET (462)

90480-14088-00

$5.60

4

WASHER, PLATE (462)

90202-14077-00

$4.29

5

SPACER

90560-07007-00

$9.49

6

WASHER PLATE 248217570000

90201-06074-00

$9.49

7

WASHER, SPRING

92907-06100-00

$4.25

8

NUT(6TA)

95317-06600-00

$3.55

9

BRACKET, TAILLIGHT

3FA-84702-10-00

$35.99

10

GROMET (3X3)

90480-14229-00

$8.49

11

COLLAR (J10)

90387-06026-00

$8.49

12

WASHER, PLATE(36Y)

90201-063J2-00

$5.60

13

BOLT, FLANGE

95817-06025-00

Unavailable