Yamaha YFZ350F_MNH (BANSHEE) 1994 REAR ARM Diagram
#
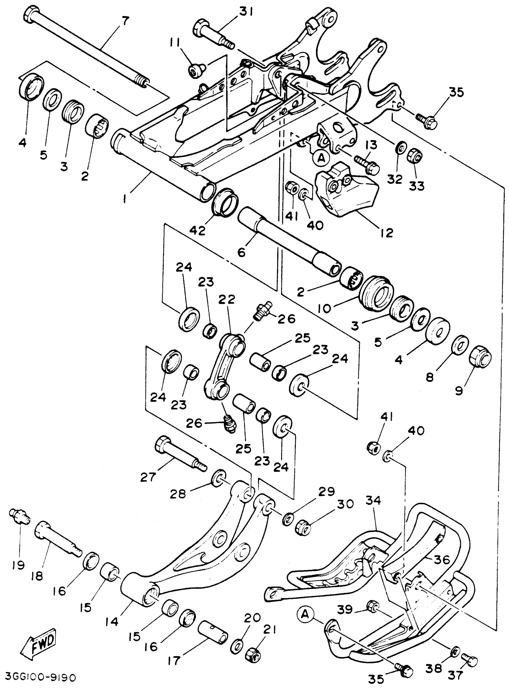
6
BUSH
2GU-22184-00-00
Unavailable
7
SHAFT, PIVOT
2GU-22141-00-00
Unavailable
14
ARM, RELAY
1UY-2217A-00-00
Unavailable
16
OIL SEAL
93109-20076-00
Unavailable
17
COLLAR
90387-12021-00
Unavailable
18
BOLT (30X)
90109-10752-00
Unavailable
19
NIPPLE, GREASE
93700-06M03-00
Unavailable
20
WASHER (7A9)
90201-100F7-00
Unavailable
21
NUT, SELF LOCKING (23X)
90185-10120-00
Unavailable
22
ROD, CONNECTING 1
3GG-2217F-00-00
Unavailable
23
BUSH, FORMED(1RX)
90383-20032-00
Unavailable
24
COVER, THRUST 2
55K-22129-00-00
Unavailable
25
COLLAR(1RX)
90387-125N8-00
Unavailable
26
NIPPLE, GREASE
93700-06M03-00
Unavailable
27
BOLT(38W)
90109-102A6-00
Unavailable
28
WASHER, PLATE
90201-12027-00
Unavailable
29
WASHER, PLATE(6TC)
90201-10M05-00
Unavailable
30
NUT, SELF LOCKING (23X)
90185-10120-00
Unavailable
31
BOLT (12R)
90109-10654-00
Unavailable
32
WASHER (7A9)
90201-100F7-00
Unavailable
33
NUT, SELF LOCKING (23X)
90185-10120-00
Unavailable
34
COVER
3GG-2219X-00-00
Unavailable
35
BOLT, FLANGE(8AB)
95817-08020-00
Unavailable
36
GUARD, CHAIN
2GU-22153-00-00
Unavailable
37
BOLT, HEXAGON
97013-06045-00
Unavailable
38
WASHER, PLAIN (646)
92990-06600-00
Unavailable
39
NUT, SELF-LOCKING
95617-06100-00
Unavailable
40
.. WASHER, PLATE
92990-08600-00
Unavailable
41
NUT, U
95617-08100-00
Unavailable
42
PIPE
2GU-22155-00-00
Unavailable
