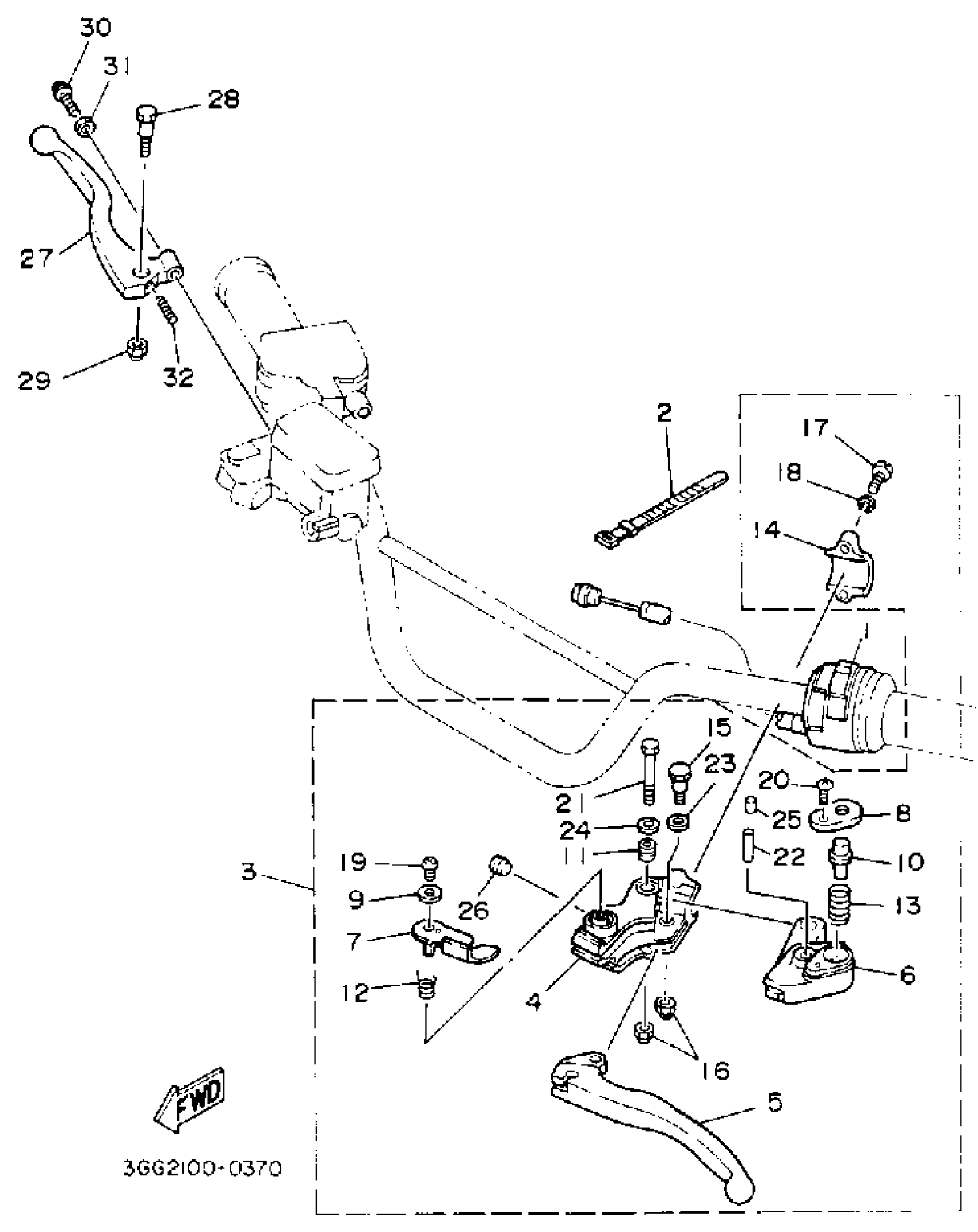
Yamaha YFZ350D (BANSHEE) 1992 HANDLE SWITCH-LEVER Diagram
#
Description
Price
1
SWITCH, HANDLE 2
2GU-83975-09-00
Unavailable
3
LEVER HOLDER ASSY
2GU-82910-11-00
Unavailable
4
HOLDER, LEVER 1
99999-02990-00
Unavailable
6
LEVER 2
1UY-83922-01-00
Unavailable
7
LEVER, LOCK
1UY-83965-00-00
Unavailable
8
COVER
1UY-83935-00-00
Unavailable
10
PIN, LOCK 1
1UY-83967-00-00
Unavailable
14
HOLDER, LEVER LOWER
4V4-82913-00-00
Unavailable
16
NUT, SELF-LOCKING
95617-06100-00
Unavailable
17
SCREW, PAN HEAD
98517-05020-00
Unavailable
18
WASHER(3SX)
92907-05100-00
Unavailable
19
SCREW, PAN HEAD(3LA)
98517-05010-00
Unavailable
20
SCREW, PAN HEAD(3AC)
98517-03008-00
Unavailable
21
BOLT(8BC)
97017-06040-00
Unavailable
22
PIN,SPRING (648)
91690-40022-00
Unavailable
23
WASHER, PLATE 1562722600
90201-08083-00
Unavailable
24
WASHER(6TA)
92907-06200-00
Unavailable
25
CAP 1
1UY-83956-00-00
Unavailable
26
PLUG(2GU)
90338-12192-00
Unavailable
27
LEVER 2
1RX-83922-02-00
Unavailable
28
BOLT (4L0)
90109-06577-00
Unavailable
29
NUT, SELF-LOCKING
95617-06100-00
Unavailable
30
SCREW (2L0)
90149-06131-00
Unavailable
31
NUT HEXAGON 306839270000
90170-06010-00
Unavailable
32
SPRING COMPRESSION306839240000
90501-10312-00
Unavailable
