Partiron

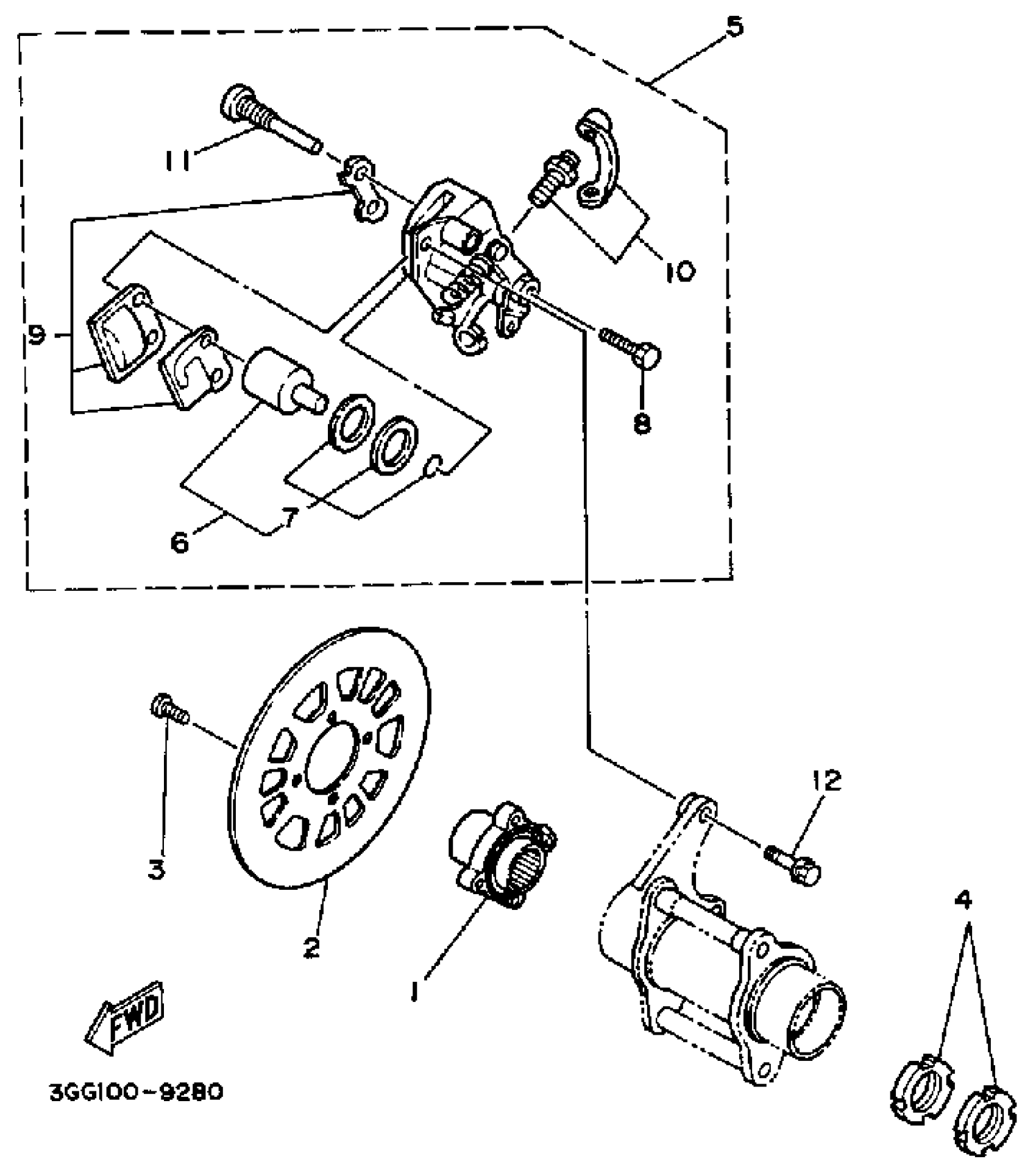
Yamaha YFZ350B_MNH (BANSHEE) 1991 REAR BRAKE CALIPER Diagram

#

Description
Price

1

BRACKET, DISC

2GU-25712-00-00

Unavailable

2

DISC, BRAKE

2XJ-25831-50-00

Unavailable

3

BOLT,HEX. SOCKET BUTTON

90111-08053-00

$8.49

4

NUT

90170-33011-00

$18.99

5

CALIPER ASSY, REAR 2

1UY-2580W-02-00

Unavailable

6

PISTON ASSY, CALIPER

1UY-W0057-50-00

$111.99

7

CALIPER SEAL KIT

1UY-W0047-50-00

$17.49

8

ADJUSTBOLT

1UY-25972-51-00

$13.49

9

BRAKE PAD KIT 2

1UY-W0046-01-00

$45.99

10

BLEED SCREW KIT

36Y-W0048-00-00

$9.99

11

PIN, PAD

1UY-25924-51-00

Unavailable

12

BOLT, WASHER BASED(1UY)

90105-08440-00

$8.49