Partiron

Yamaha YFZ05YYXLW (YFZ50) BW4B1 2020 ELECTRICAL 2 Diagram

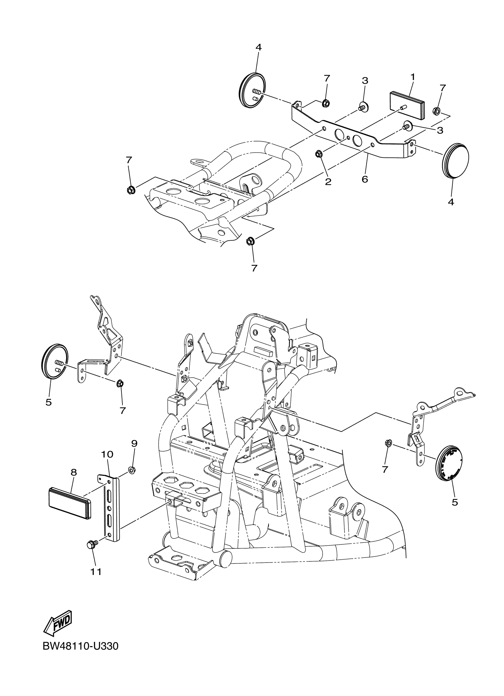
#

Description
Price

1

REAR REFLECTOR ASSY

BD3-H5130-00-00

$28.99

2

NUT

BD3-F1244-10-00

$2.28

3

BOLT

BD3-F8333-10-00

$3.55

4

REFLECTOR, FRONT 1

BD3-H5111-00-00

$15.99

5

REFLECTOR, FRONT 2

BD3-H5121-00-00

$15.99

6

STAY 2

BD3-F8357-00-00

$40.99

7

NUT

BD3-F1494-10-00

$3.45

8

REFLECTOR, REAR 2

BD3-H5141-10-00

$25.99

9

NUT

BD3-F1244-10-00

$2.28

10

BRACKET

BW4-H454L-00-00

$23.99

11

BOLT, LEG SHIELD

BD3-F8331-10-00

$3.23