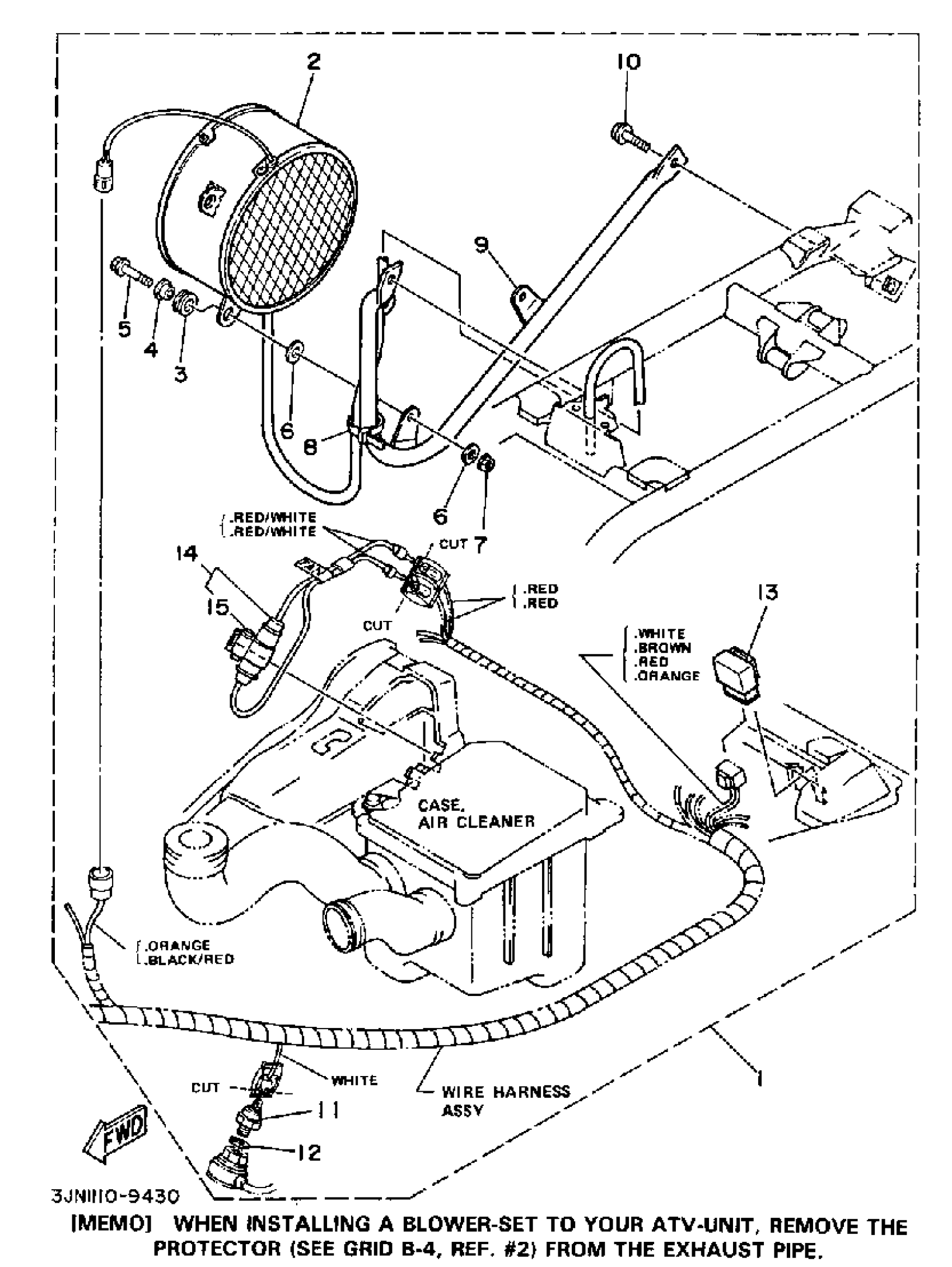
Yamaha YFU1W (PRO-4 PRO HAULER) 1989 BLOWER ASSEMBLY (ALT - PARTS) Diagram
#
Description
Price
1
BLOWER SET
3JN-W1243-00-00
Unavailable
2
. BLOWER ASSEMBLY
3JN-12405-00-00
Unavailable
4
COLLAR 437216330000
90387-07391-00
Unavailable
9
. STAY 1
(3JN-2116A-00-00)
Unavailable
11
. THERMO SWITCH ASSEMBLYASSEMBLY
3JN-82560-01-00
Unavailable
14
FUSE HOLDER ASSY
29U-82150-00-00
Unavailable
