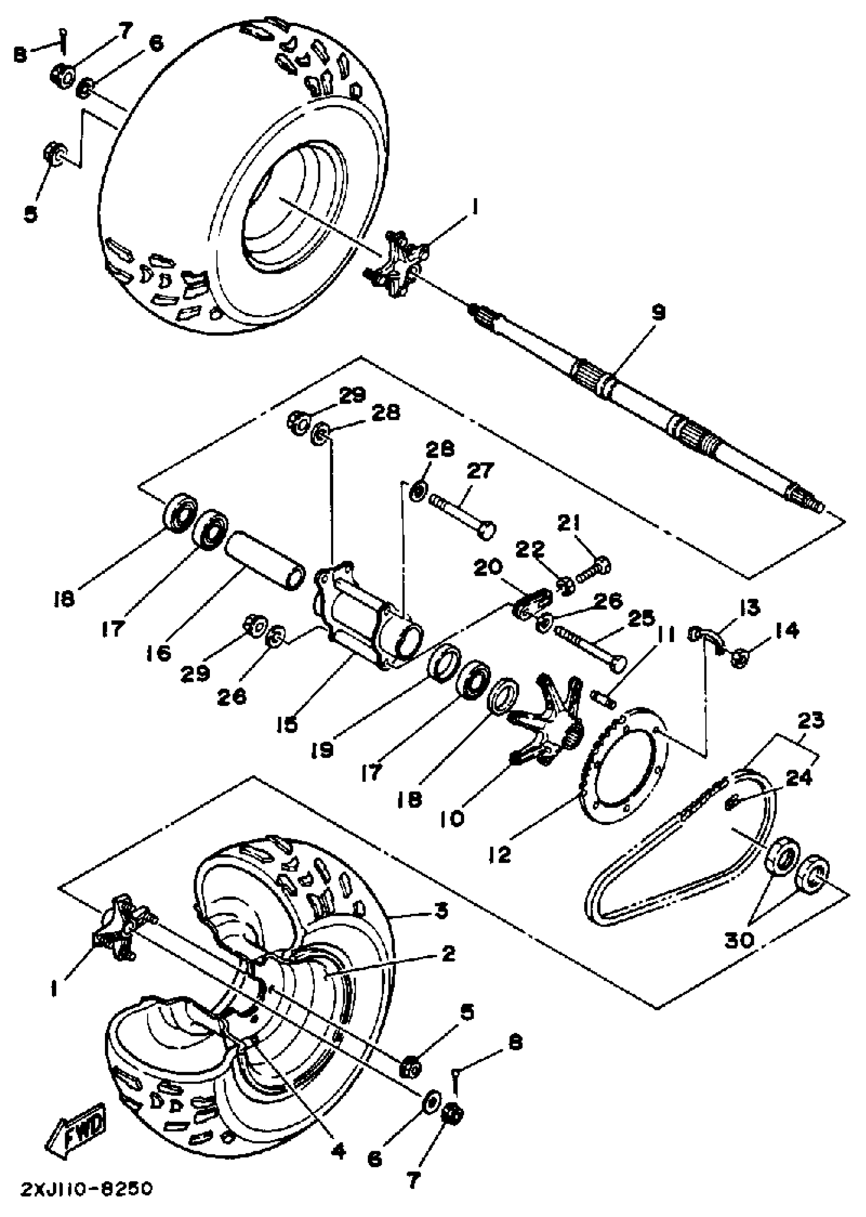
Yamaha YFS200U (BLASTER) 2XJ 1988 REAR WHEEL Diagram
#
Description
Price
1
COLLAR, WHEEL
2XJ-25383-50-00
Unavailable
2
REAR WHEEL COMP.
2VY-25390-00-35
Unavailable
3
TIRE (AT21X10-8*KT895A T/L N)
94110-085W9-00
Unavailable
6
WASHER, PLATE
90201-140A6-00
Unavailable
9
AXLE, WHEEL
2XJ-25381-00-00
Unavailable
15
HUB, REAR
2XJ-25311-00-35
Unavailable
16
SPACER, BEARING
2XJ-25317-00-00
Unavailable
17
BEARING(38W)
93306-00705-00
Unavailable
18
OIL SEAL(3BC)
93106-42026-00
Unavailable
19
COLLAR(2XJ)
90387-561U7-00
Unavailable
20
PULLER, CHAIN 1
2XJ-25388-00-00
Unavailable
21
BOLT(4SR)
90101-08777-00
Unavailable
22
NUT(6L2)
95333-08600-00
Unavailable
23
CHAIN
9Y581-87091-00
Unavailable
24
JOINT, CHAIN
94681-87011-00
Unavailable
25
BOLT(2XJ)
90101-10678-00
Unavailable
26
WASHER, PLATE (17K)
90201-106F2-00
Unavailable
27
BOLT(2XJ)
90101-10678-00
Unavailable
28
WASHER, PLATE (17K)
90201-106F2-00
Unavailable
30
NUT
90170-33011-00
Unavailable
