Partiron

Yamaha YFS200T (BLASTER) 5VM5 2005 TAILLIGHT Diagram

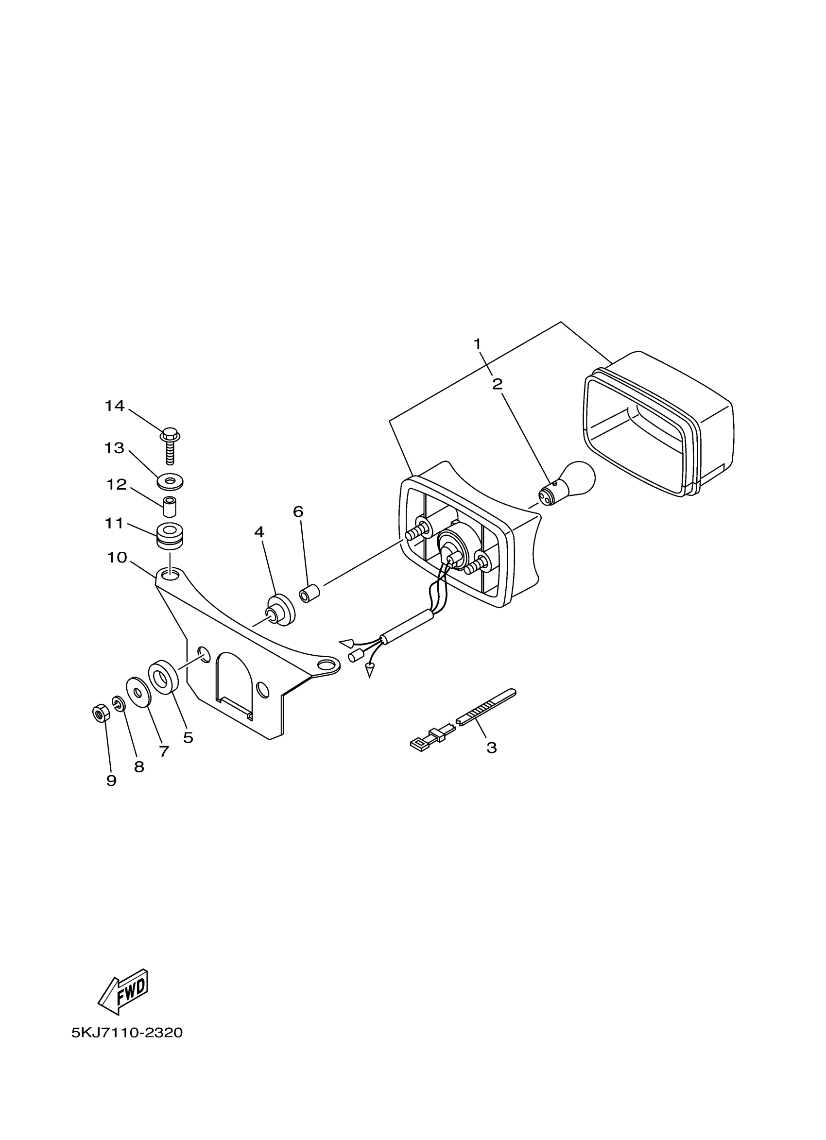
#

Description
Price

1

TAILLIGHT UNIT ASSY

3FA-84710-01-00

$47.99

2

BULB

1A2-84714-50-00

$14.49

3

BAND, SWITCH CORD

437-83936-01-00

$7.99

4

GROMMET (462)

90480-14088-00

$5.60

5

WASHER, PLATE (462)

90202-14077-00

$4.29

6

SPACER

90560-07007-00

$9.49

7

WASHER PLATE 248217570000

90201-06074-00

$9.49

8

WASHER, SPRING

92907-06100-00

$4.25

9

NUT(6TA)

95317-06600-00

$3.55

10

BRACKET, TAILLIGHT

3FA-84702-10-00

$35.99

11

GROMET (3X3)

90480-14229-00

$8.49

12

COLLAR (J10)

90387-06026-00

$8.49

13

WASHER, PLATE(36Y)

90201-063J2-00

$5.60

14

BOLT, FLANGE

95817-06025-00

Unavailable