Yamaha YFS200G_MNH (BLASTER) 3JMG 1995 INTAKE Diagram
#
Description
Price
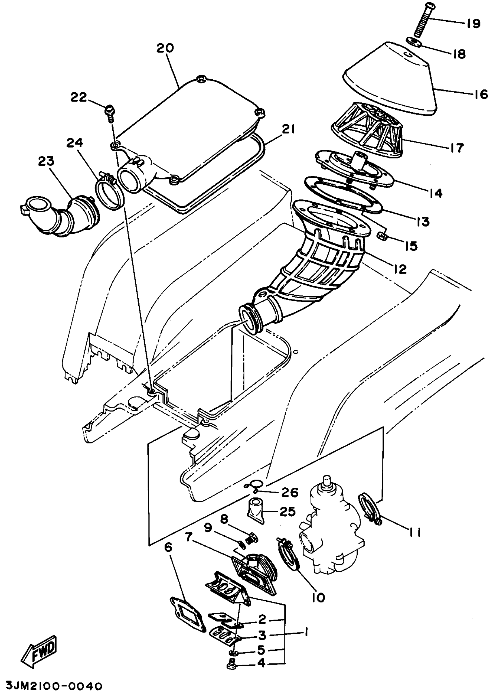
14
HOLDER, GUIDE
2XJ-14459-00-00
Unavailable
16
ELEMENT, AIR CLEANER
2XJ-14451-01-00
Unavailable
17
GUIDE
2XJ-14458-00-00
Unavailable
18
WASHER (4H7)
90209-06096-00
Unavailable
19
SCREW, PAN
98507-06060-00
Unavailable
20
CAP, CLEANER CASE 1
2XJ-14412-01-00
Unavailable
21
SEAL
1VJ-14462-00-00
Unavailable
22
SCREW, WITH WASHER (36X)
90159-06085-00
Unavailable
23
DUCT
2XJ-14437-00-00
Unavailable
24
HOSE CLAMP ASSY
90450-56001-00
Unavailable
25
SEAL
59V-14457-00-00
Unavailable
26
CLIP (21V)
90467-22080-00
Unavailable
