Partiron

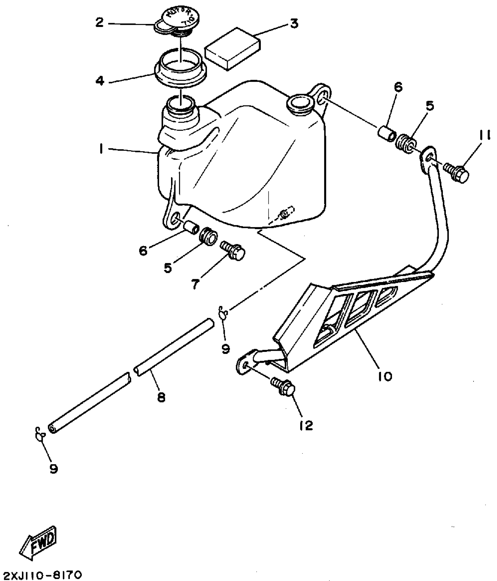
Yamaha YFS200G (BLASTER) 1995 OIL TANK Diagram

#

Description
Price

1

TANK, OIL

2XJ-21751-01-00

$86.99

2

BODY, CAP

2N3-21771-02-00

$14.49

3

DAMPER

2XJ-21746-00-00

$7.99

4

GROMMET

90480-48493-00

Unavailable

5

GROMMET (J10)

90480-13238-00

$3.71

6

COLLAR 437216330000

90387-07391-00

Unavailable

7

BOLT, FLANGE

95817-06025-00

Unavailable

8

HOSE (L1500)

90445-090F6-00

$31.99

9

CLIP 101235600

90467-08003-00

$10.49

10

COVER

2XJ-2172W-00-00

Unavailable

11

BOLT, FLANGE

95817-06025-00

Unavailable

12

BOLT, FLANGE

95817-06025-00

Unavailable