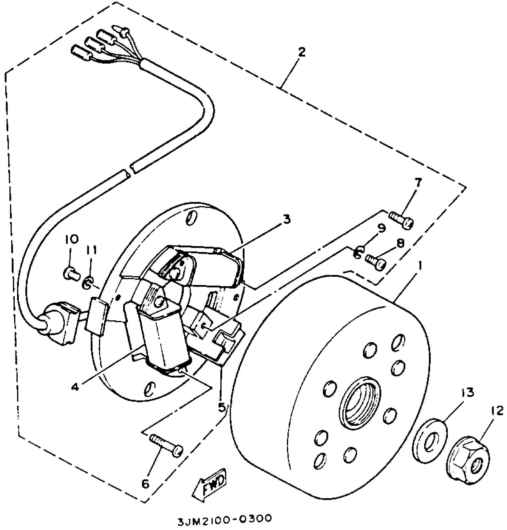
Yamaha YFS200D_MNH (BLASTER) 1992 GENERATOR Diagram
#
Description
Price
1
ROTOR ASSY
2XJ-85550-M1-00
Unavailable
2
BASE ASSY
3JM-85560-00-00
Unavailable
4
. COIL, LIGHTING 1
2XJ-81313-M0-00
Unavailable
5
COIL, PULSER
2AL-85580-M0-00
Unavailable
7
SCREW, PAN HEAD
98511-04012-00
Unavailable
