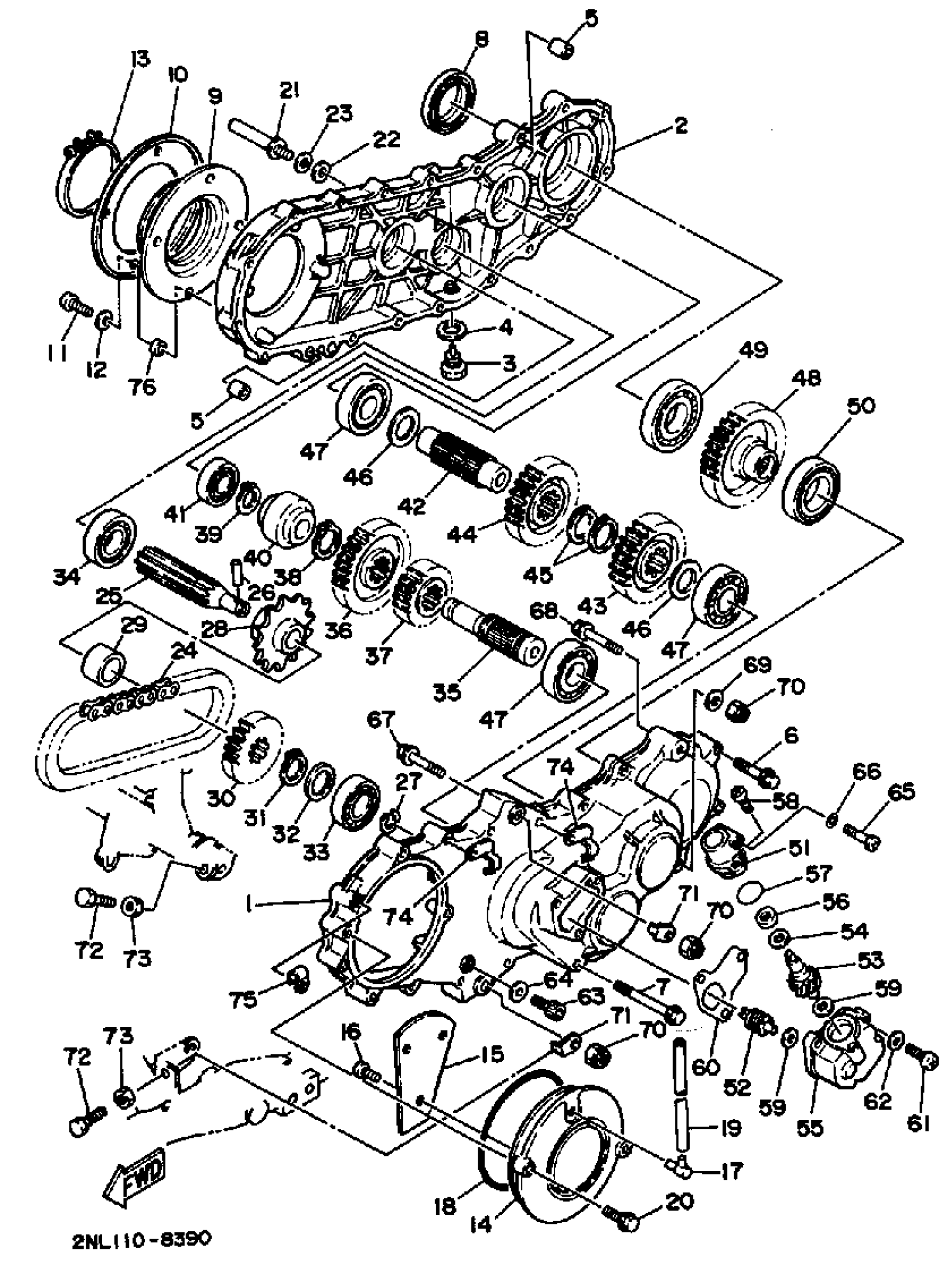
Yamaha YFP350U (TERRA PRO) 1988 SUB TRANSMISSION Diagram
#
1
UNAVAILABLE IN PRICE BOOK
[2N-L4631-10-00
Unavailable
2
UNAVAILABLE IN PRICE BOOK
[2N-L4631-20-00
Unavailable
9
JOINT
2NL-46394-00-00
Unavailable
10
PLATE 1
(2NL-46336-00-00)
Unavailable
11
UNAVAILABLE IN PRICE BOOK
[97-80206-01-80
Unavailable
13
CLAMP, HOSE
90460-80229-00
Unavailable
14
COVER, TRNSMISSION
(2NL-46313-00-00)
Unavailable
15
PLATE
2NL-47591-00-00
Unavailable
16
SCREW, BIND(J45)
98980-06012-00
Unavailable
17
BREATHER
5UG-15371-00-00
Unavailable
18
O-RING
93211-23613-00
Unavailable
19
HOSE (L1700)
90445-070G6-00
Unavailable
20
BOLT, FLANGE(3DM)
95024-06020-00
Unavailable
21
BOLT
(90109-084E0-00)
Unavailable
22
WASHER 6154275100
90201-08103-00
Unavailable
23
YBS67-8 WASHER, SPRING
92990-08100-00
Unavailable
24
D1D 50Y CHAIN
94581-02038-00
Unavailable
25
SHAFT, INPUT
2NL-46321-00-00
Unavailable
26
PIN, DOWEL (5X4)
93603-14179-00
Unavailable
27
CIRCLIP(59V)
93440-14155-00
Unavailable
28
SPROCKET, CHN DRVN
2NL-47548-00-00
Unavailable
29
COLLAR
90387-253T4-00
Unavailable
30
GEAR, PINION 1
(2NL-46316-00-00)
Unavailable
31
CIRCLIP (256)
93410-25017-00
Unavailable
32
WASHER, PLATE(J38)
90201-257J2-00
Unavailable
33
BEARING (6K8)
93306-205U1-00
Unavailable
34
BEARING (3Y1)
93306-20541-00
Unavailable
35
UNAVAILABLE IN PRICE BOOK
[2N-L4634-80-00
Unavailable
36
GEAR, WHEEL 1
2NL-46326-00-00
Unavailable
37
GEAR, PINION 2
(2NL-46317-00-00)
Unavailable
38
CIRCLIP
99009-26400-00
Unavailable
39
CIRCLIP(1AR)
99009-20400-00
Unavailable
40
STOPPER
2NL-46239-00-00
Unavailable
41
BEARING (5Y1)
93306-00426-00
Unavailable
42
SHAFT 3
(2NL-46349-00-00)
Unavailable
43
GEAR, WHEEL 2
2NL-46327-00-00
Unavailable
44
GEAR, PINION 3 (22T)
(2NL-46318-00-00)
Unavailable
45
CIRCLIP(4A6)
99009-30400-00
Unavailable
46
WASHER, PLATE (8V2)
90201-251G8-00
Unavailable
47
BEARING(3RR)
93306-30560-00
Unavailable
48
GEAR, WHEEL 3
(2NL-46328-00-00)
Unavailable
49
BEARING(2NL)
93306-20716-00
Unavailable
50
BRG,R-B 6007 62MM 150G KY
93306-00702-00
Unavailable
51
HOUSING, TACH. GEAR
2HT-17811-00-00
Unavailable
52
UNAVAILABLE IN PRICE BOOK
[2N-L1783-10-00
Unavailable
53
UNAVAILABLE IN PRICE BOOK
[2N-L1784-10-00
Unavailable
54
WASHER (692)
90201-12M34-00
Unavailable
55
COVER, OIL PUMP
2HT-15416-00-00
Unavailable
56
OIL SEAL (30X)
93102-08307-00
Unavailable
57
O-RING(59V)
93210-24253-00
Unavailable
58
SCREW, PAN
98507-06014-00
Unavailable
59
WASHER (8A7)
90201-08452-00
Unavailable
60
GASKET, CARB COVER
59V-15453-02-00
Unavailable
61
SCREW, PAN HEAD (76T)
98517-06025-00
Unavailable
62
WASHER, PLATE (J22)
90201-063F3-00
Unavailable
63
BOLT, SOCKET
91314-06016-00
Unavailable
64
WASHER, PLATE (J22)
90201-063F3-00
Unavailable
65
SCREW, PAN HEAD(6E0)
97885-06030-00
Unavailable
66
GASKET 256113960000
90430-06014-00
Unavailable
67
BOLT, FLANGE
95817-08050-00
Unavailable
68
BOLT, FLANGE(JN5)
95817-08070-00
Unavailable
69
WASHER, PLATE (4W3)
90201-086A3-00
Unavailable
70
NUT, SELF-LOCKING
90185-08169-00
Unavailable
71
STOPPER
(2NL-2149E-00-00)
Unavailable
72
BOLT
90101-08675-00
Unavailable
73
NUT(6L2)
95333-08600-00
Unavailable
74
CLAMP 2NL
(90462-08168-00)
Unavailable
75
CLAMP
90465-08028-00
Unavailable
76
COLLAR(2NL)
90387-060U2-00
Unavailable
