Partiron

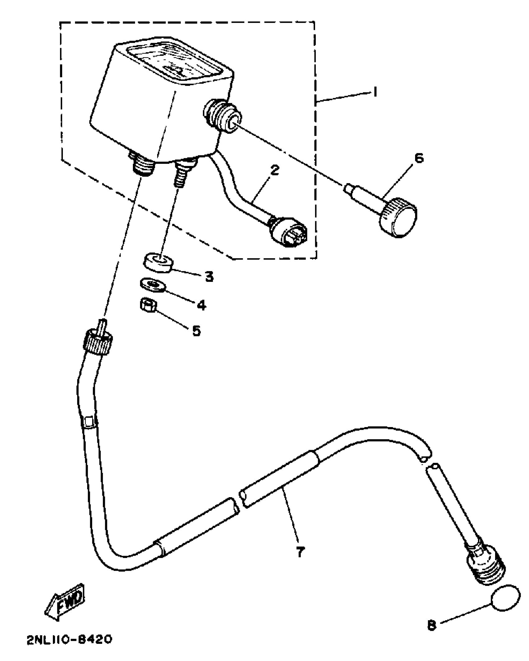
Yamaha YFP350U (TERRA PRO) 1988 METER Diagram

#

Description
Price

1

METER ASSEMBLY

2NL-8351A-A0-00

Unavailable

2

. CORD COMP

2NL-8355H-A0-00

Unavailable

3

DAMPER

4X7-83523-00-00

$11.99

4

WASHER, PLATE (8J0)

90201-05725-00

Unavailable

5

NUT, HEXAGON (663)

95380-05600-00

$8.49

6

. KNOB, TRIP METER

59V-83578-00-00

Unavailable

7

SPEEDOMETER CABLECABLE ASSEMBLY

2NL-83550-00-00

Unavailable

8

O-RING (26H)

93210-14579-00

$7.49