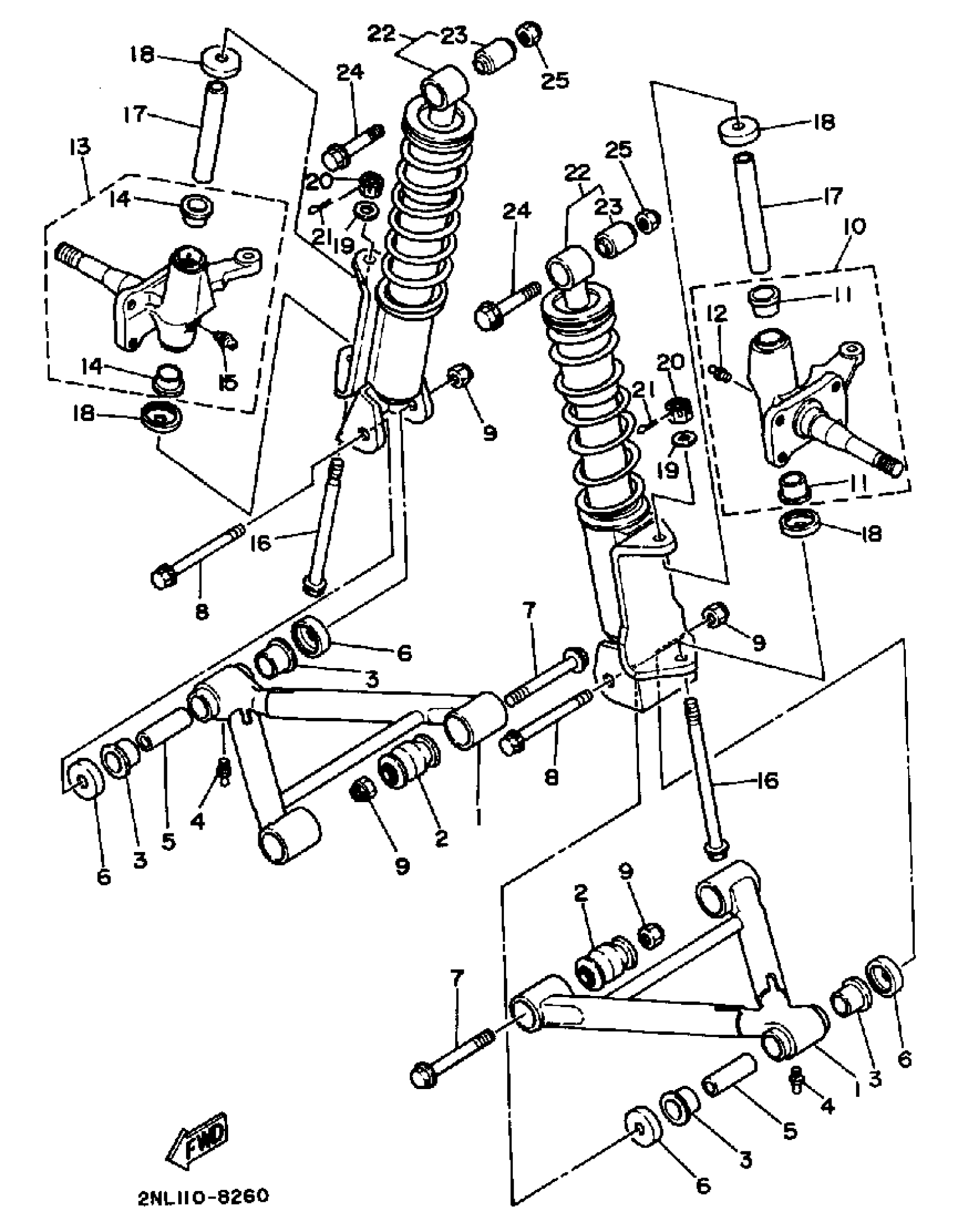
Yamaha YFP350U (TERRA PRO) 1988 FRONT SUSPENSION WHEEL Diagram
#
Description
Price
1
FRT LWR ARM CMPL LCOMP
2NL-23570-00-00
Unavailable
2
BUSH
2NL-23526-00-00
Unavailable
3
BUSH, SOLID
90381-18066-00
Unavailable
4
NIPPLE, GREASE
93700-06M03-00
Unavailable
8
BOLT, WASHER BASED
90105-12474-00
Unavailable
10
KNUCKLE, STEERING 1
(2NL-23510-00-00)
Unavailable
12
NIPPLE, GREASE
93700-06M03-00
Unavailable
13
KNUCKLE, STEERING 2
(2NL-23520-00-00)
Unavailable
15
NIPPLE, GREASE
93700-06M03-00
Unavailable
16
BOLT, WASHER BASED(59V)
90105-10389-00
Unavailable
17
SPACER
2NL-23448-00-00
Unavailable
18
COVER, THRUST 1
3JN-23517-00-00
Unavailable
19
WASHER, PLATE (3L6)
90201-10774-00
Unavailable
20
NUT 3532518200
90171-10004-00
Unavailable
21
PIN, COTTER
91490-20025-00
Unavailable
22
SHOCK ABSORBER ASSEMBLYASSY
2NL-23350-00-33
Unavailable
23
BUSH, REAR SHOCK ABSORBER
59V-22216-00-00
Unavailable
24
BOLT, WASHER BASED(59V)
90105-10388-00
Unavailable
25
NUT, SELFLOCKING (533 FRAME)
90185-10060-00
Unavailable
