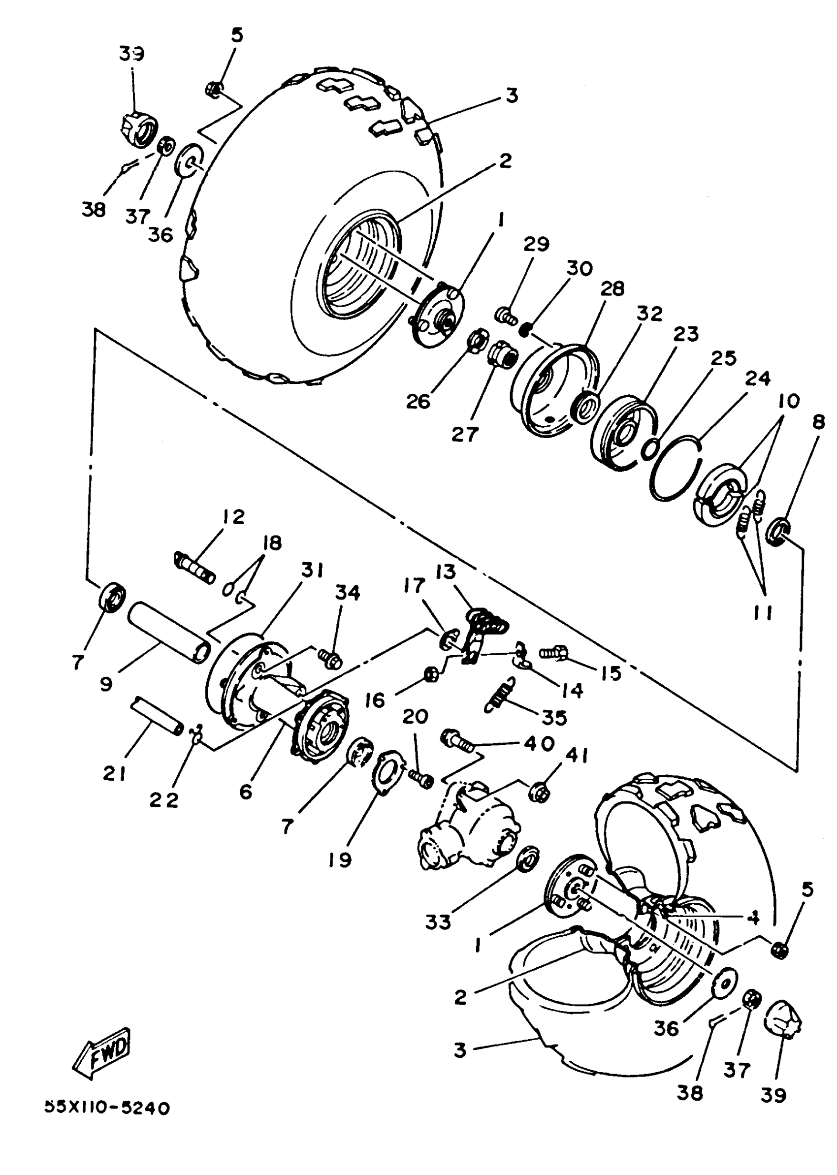
Yamaha YFM80U (BADGER) 1988 REAR WHEEL Diagram
#
1
COLLAR, WHEEL
55X-25383-10-00
Unavailable
2
REAR WHEEL COMP.
2FJ-25390-00-35
Unavailable
6
HUB, rear
55X-25311-00-00
Unavailable
8
OIL SEAL
93105-35025-00
Unavailable
9
SPACER
90560-28268-00
Unavailable
10
BRAKE SHOE SET-2PCS
183-W2536-00-00
Unavailable
11
SPRING (5T9)
90506-17328-00
Unavailable
14
HOOK, SPRING
55X-2533H-00-00
Unavailable
16
NUT, HEXAGON
95380-06600-00
Unavailable
17
PLATE, INDICATOR
23F-2533A-00-00
Unavailable
18
O-RING (26H)
93210-14579-00
Unavailable
19
PLATE, cover
55X-46114-00-00
Unavailable
20
BOLT, SOCKET
91314-06016-00
Unavailable
21
HOSE (L545)
90445-09361-00
Unavailable
22
CLIP 101235600
90467-08003-00
Unavailable
23
DRUM, brake
55X-2531E-00-00
Unavailable
24
RING 2
55X-25336-00-00
Unavailable
25
O-RING(22F)
93210-26662-00
Unavailable
26
NUT (90179-26557)
90170-26375-00
Unavailable
27
NUT (90179-26497)
90179-26570-00
Unavailable
28
COVER 1
55X-25715-00-00
Unavailable
29
SCREW, PAN HEAD(62J)
97885-06012-00
Unavailable
30
WASHER, SPRING
92995-06100-00
Unavailable
31
O-RING(55X)
93211-63688-00
Unavailable
32
OIL SEAL (705)
93102-35191-00
Unavailable
33
COVER, HUB DUST
36R-25367-00-00
Unavailable
34
BOLT, FLANGE(3GD)
95817-10025-00
Unavailable
35
SPRING, TENSION(55X)
90507-15038-00
Unavailable
36
WASHER, plate
90201-125J7-00
Unavailable
37
NUT, CASTLE(36R)
90171-12039-00
Unavailable
38
PIN, COTTER(6L5)
91490-25030-00
Unavailable
39
CAP, WHEEL
52H-2512A-00-00
Unavailable
40
BOLT, FLANGE(4GB)
95817-10045-00
Unavailable
41
NUT, FLANGE(3BM)
95704-10500-00
Unavailable
