Partiron

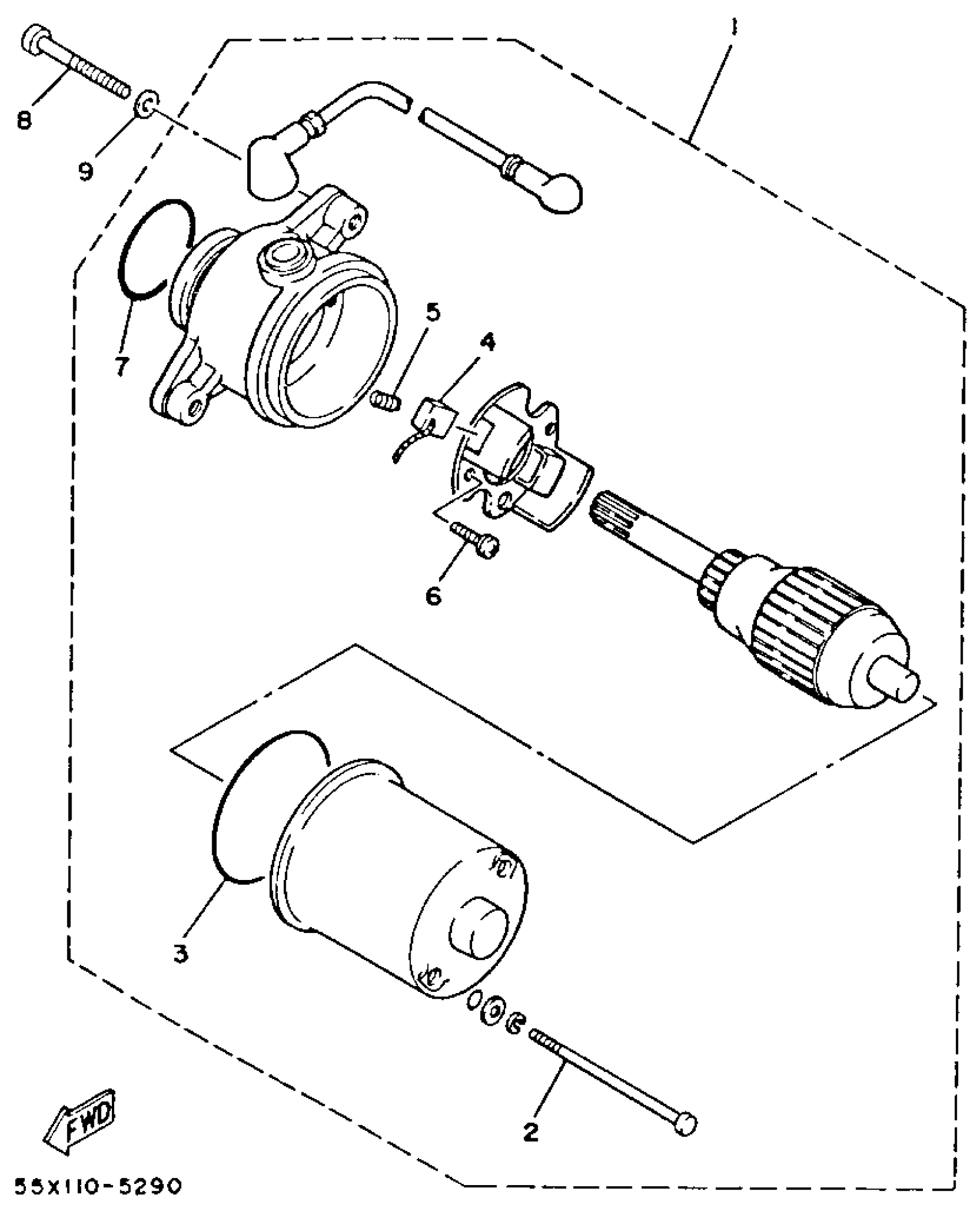
Yamaha YFM80S (BADGER) 1986 STARTING MOTOR Diagram

#

Description
Price

1

STARTING MOTOR ASSY

55X-81800-51-00

Unavailable

2

. BOLT

22J-81826-50-00

Unavailable

3

O-RING

5J3-81847-50-00

$15.49

4

. BRUSH SET

22J-81801-50-00

Unavailable

5

. SPRING, BRUSH

5J3-81855-50-00

Unavailable

6

SCREW, PAN HEAD

98517-04012-00

$3.88

7

. O-RING

22J-81847-50-00

Unavailable

8

BOLT, SOCKET

91314-06035-00

$8.49

9

YBS66-6 WASHER, PLAIN

92990-06200-00

$3.78