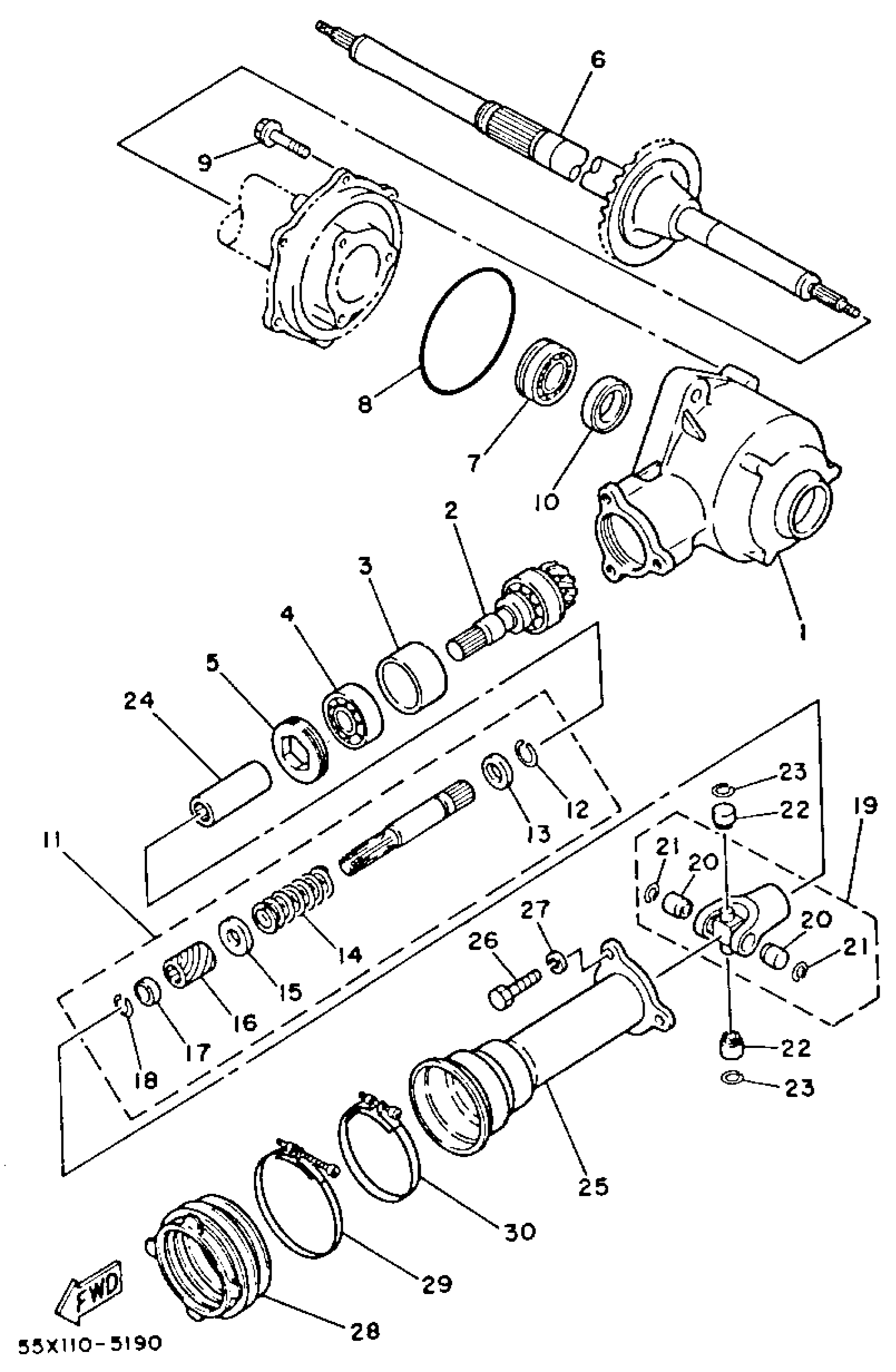
Yamaha YFM80S (BADGER) 1986 DRIVE SHAFT Diagram
#
Description
Price
1
HOUSING, drive shaft
55X-46151-00-00
Unavailable
2
DRIVE PINION COMP.
2HX-46120-00-00
Unavailable
3
SPACER
90560-40221-00
Unavailable
5
NUT
90179-50481-00
Unavailable
6
RING GEAR COMP. (55X-46110-02)
55X-46110-03-00
Unavailable
7
BEARING
93306-00511-00
Unavailable
10
OIL SEAL(36R)
93102-25311-00
Unavailable
11
SHAFT DRIVE ASSEMBLY.
55X-46171-00-00
Unavailable
12
CIRCLIP(18U)
93440-17138-00
Unavailable
13
RETAINER, SPRING
15L-18473-00-00
Unavailable
14
. SPRING, COMPRESSION
90501-603A7-00
Unavailable
16
. SCREW PUSH
22F-16341-01-00
Unavailable
17
. SPACER
22F-11485-00-00
Unavailable
18
. CIRCLIP, OUTER
93440-14124-00
Unavailable
19
CROSS JOINT
22F-46180-01-00
Unavailable
20
BEARING, CYLINDRICAL (22F)
93311-20952-00
Unavailable
21
CIRCLIP(24H)
99009-17500-00
Unavailable
22
BEARING, CYLINDRICAL (22F)
93311-20952-00
Unavailable
23
CIRCLIP(24H)
99009-17500-00
Unavailable
24
COUPLING, GEAR
22F-46123-01-00
Unavailable
25
HOUSING, BEARING
55X-17551-00-00
Unavailable
26
BOLT, HEXAGON (3L6)
90101-08461-00
Unavailable
27
YBS67-8 WASHER, SPRING
92990-08100-00
Unavailable
28
BOOT, RUBBER
55X-22189-00-00
Unavailable
29
CLAMP, HOSE(59V)
90460-85277-00
Unavailable
30
HOSE CLAMP ASSY
90450-75002-00
Unavailable
