Partiron

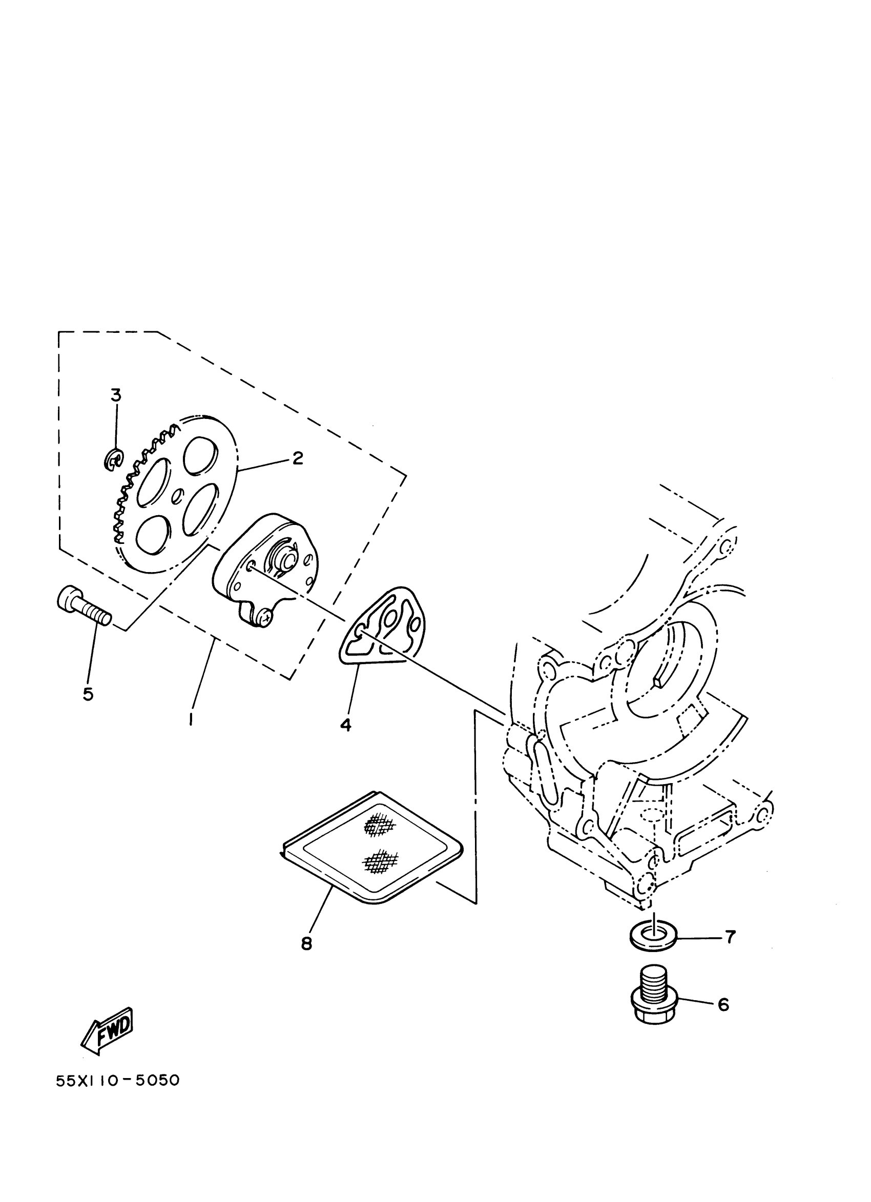
Yamaha YFM80NC (BADGER_REALTREE_HUNTER) 4EMY 2001 OIL PUMP Diagram

#

Description
Price

1

OIL PUMP ASSY

2FJ-13300-00-00

Unavailable

2

GEAR, PUMP DRIVEN

46J-13325-00-00

Unavailable

3

CIRCLIP(22K)

99080-05600-00

$8.49

4

GASKET, PUMP COVER

22F-13329-01-00

$7.99

5

SCREW, FLAT FILLISTER

90155-06007-00

Unavailable

6

PLUG, STRAIGHT SCREW (22F)

90340-12097-00

$3.08

7

GASKET

812-11198-00-00

$6.99

8

STRAINER, OIL

22F-13411-01-00

$29.99