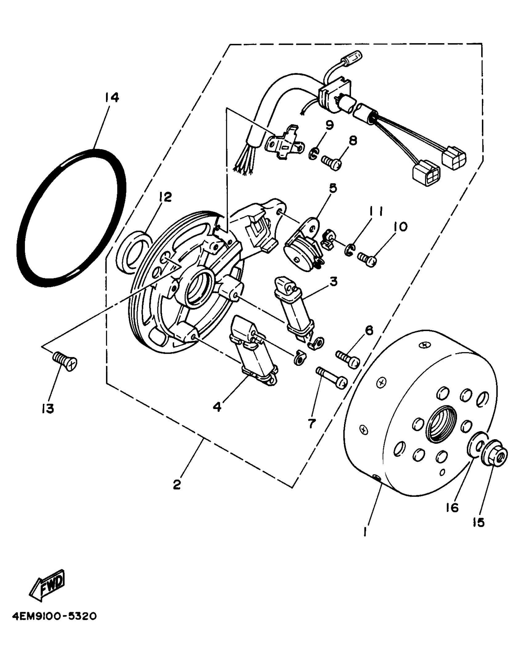
Yamaha YFM80K (BADGER) 4EMK 1998 GENERATOR Diagram
#
Description
Price
1
ROTOR ASSY
2FM-85550-M1-00
Unavailable
3
COIL, CHARGE
5G3-85520-M2-00
Unavailable
6
SCREW, PAN HEAD
98511-04012-00
Unavailable
8
SCREW,PAN HEAD
98501-04006-00
Unavailable
10
SCREW, PAN HEAD(62X)
97885-05010-00
Unavailable
16
WASHER, PLATE (26H)
90201-102G9-00
Unavailable
