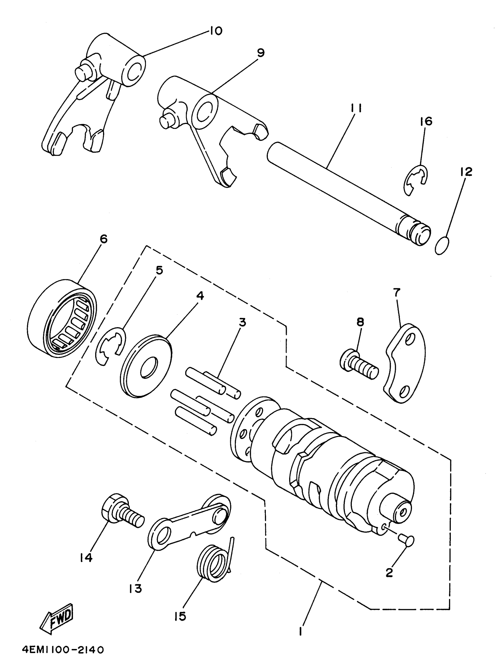
Yamaha YFM80H (BADGER) 1996 SHIFT CAM - SHIFT FORK Diagram
#
Description
Price
1
SHIFT CAM ASSY
4EM-18540-00-00
Unavailable
7
PLATE, STOPPER 2
22F-18562-01-00
Unavailable
9
FORK, SHIFT 1
2MK-18511-00-00
Unavailable
10
FORK, SHIFT 2
29F-18512-00-00
Unavailable
11
BAR, SHIFT FORK GUIDE 1
22F-18531-00-00
Unavailable
13
STOPPER LEVER ASSY
29F-18140-00-00
Unavailable
15
SPRING, TORSION (22F)
90508-20576-00
Unavailable
16
CIRCLIP (137)
93430-08007-00
Unavailable
