Partiron

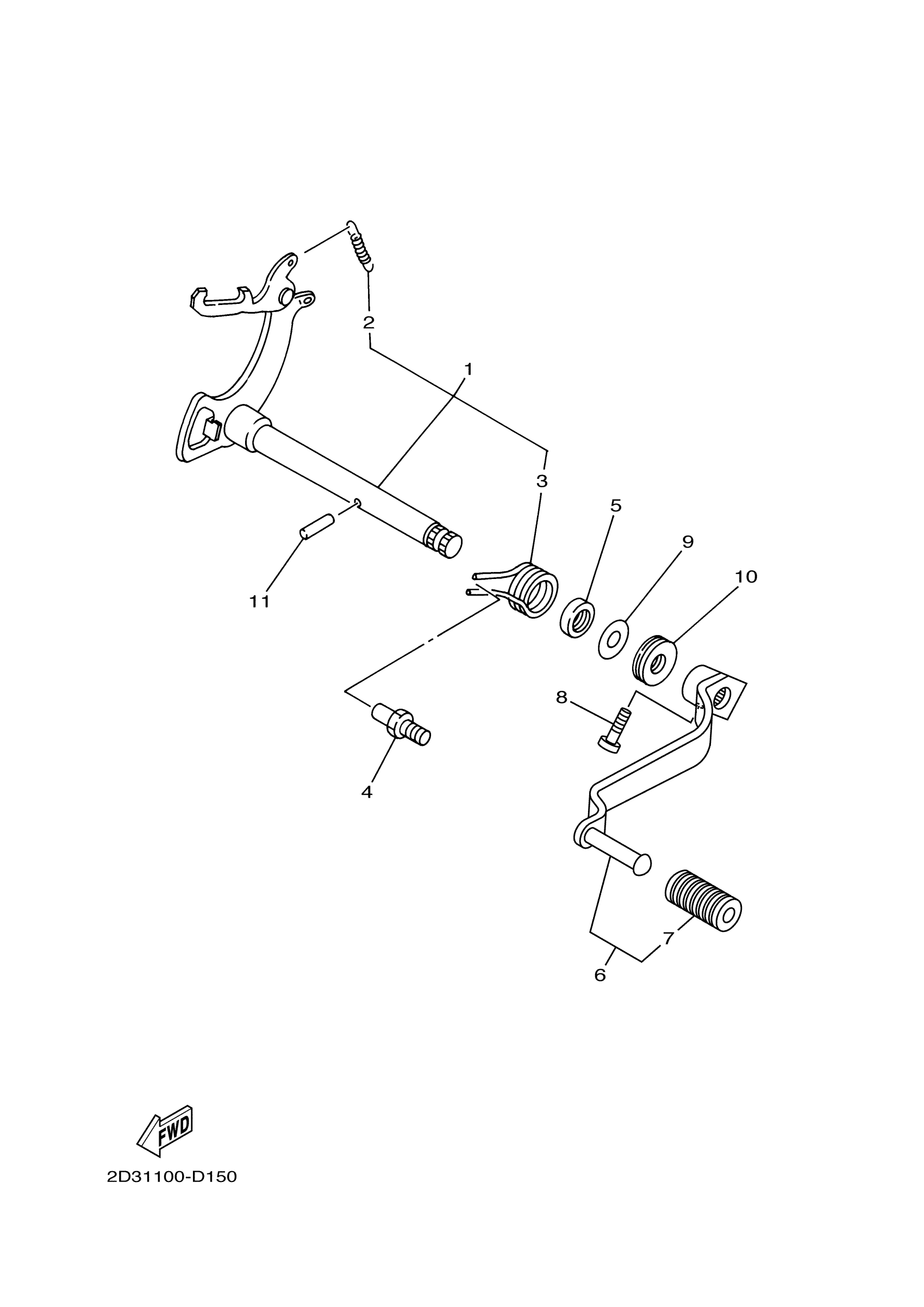
Yamaha YFM80GT (GRIZZLY 80) 2D31 2005 SHIFT SHAFT Diagram

#

Description
Price

1

SHIFT SHAFT ASSY

22F-18101-03-00

$57.99

2

SPRING, TENSION (296)

90506-08122-00

$7.49

3

SPRING, TORSION (22F)

90508-32563-00

$5.60

4

STOPPER, SCREW

278-18127-01-00

$17.49

5

OIL SEAL (12X22X5-371)

93102-12106-00

$11.49

6

SHIFT PEDAL ASSY

2D3-18110-10-00

Unavailable

7

COVER, CHANGE PEDAL

132-18113-01-00

$7.99

8

BOLT, HEXAGON

97017-06020-00

$4.06

9

WASHER, PLATE(2JG)

90201-126L0-00

$5.60

10

BEARING, THRUST(2FL)

93340-21209-00

$16.99

11

PIN, DOWEL (4H7)

93604-20156-00

$3.55