Partiron

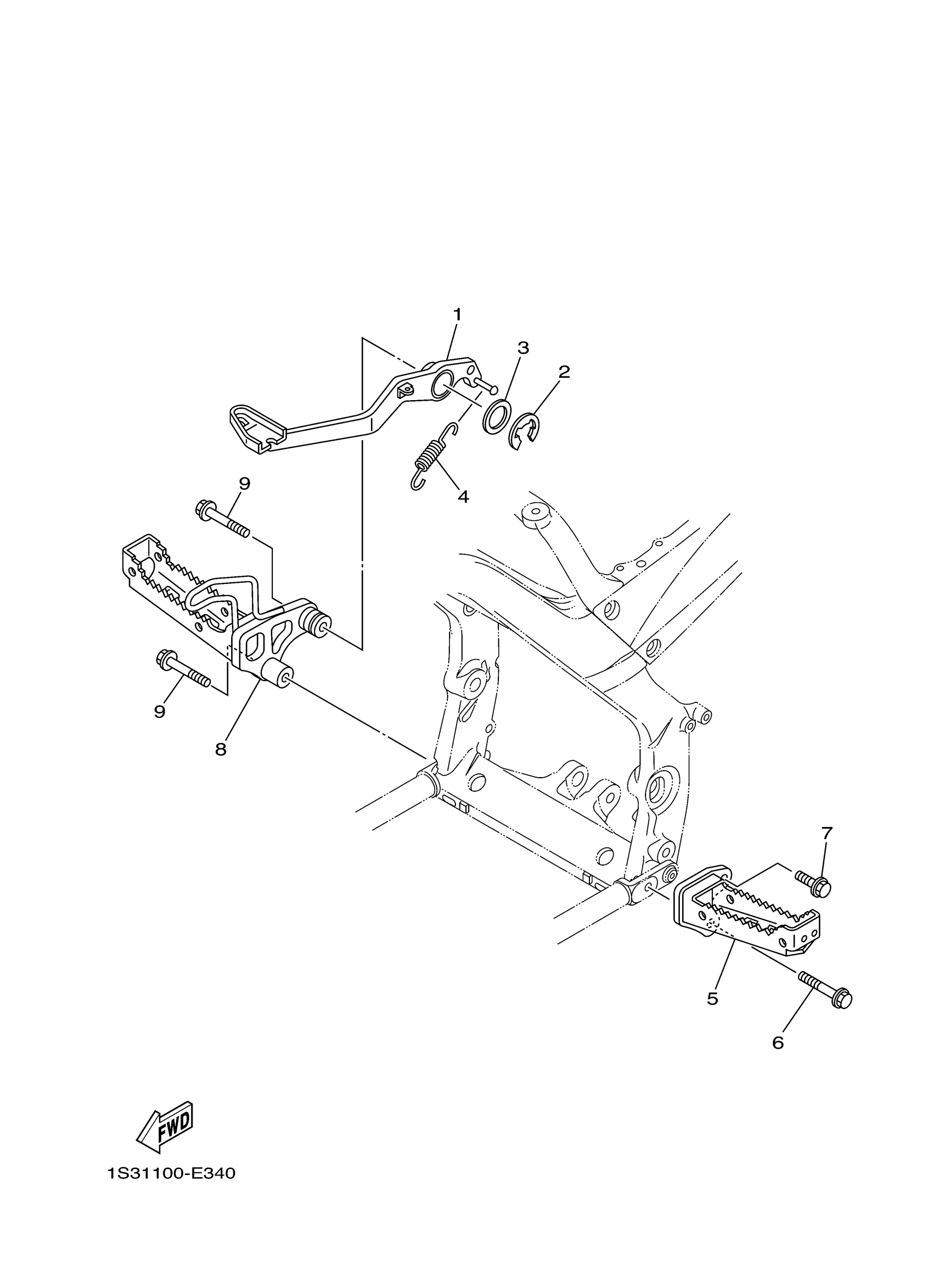
Yamaha YFM7RBW (RAPTOR 700R) 1ASD0 2012 STAND FOOTREST Diagram

#

Description
Price

1

PEDAL, BRAKE

1S3-27211-10-00

Unavailable

2

CIRCLIP

93430-23054-00

$5.60

3

WASHER, PLATE (21V)

90201-266F6-00

$10.49

4

SPRING, TENSION

90506-20026-00

$8.49

5

FOOTREST 1

1S3-27411-10-00

Unavailable

6

BOLT, FLANGE

90105-10294-00

$8.49

7

BOLT, FLANGE

95817-10030-00

$8.49

8

FOOTREST 2

1S3-27421-10-00

Unavailable

9

BOLT, FLANGE

90105-10294-00

$8.49