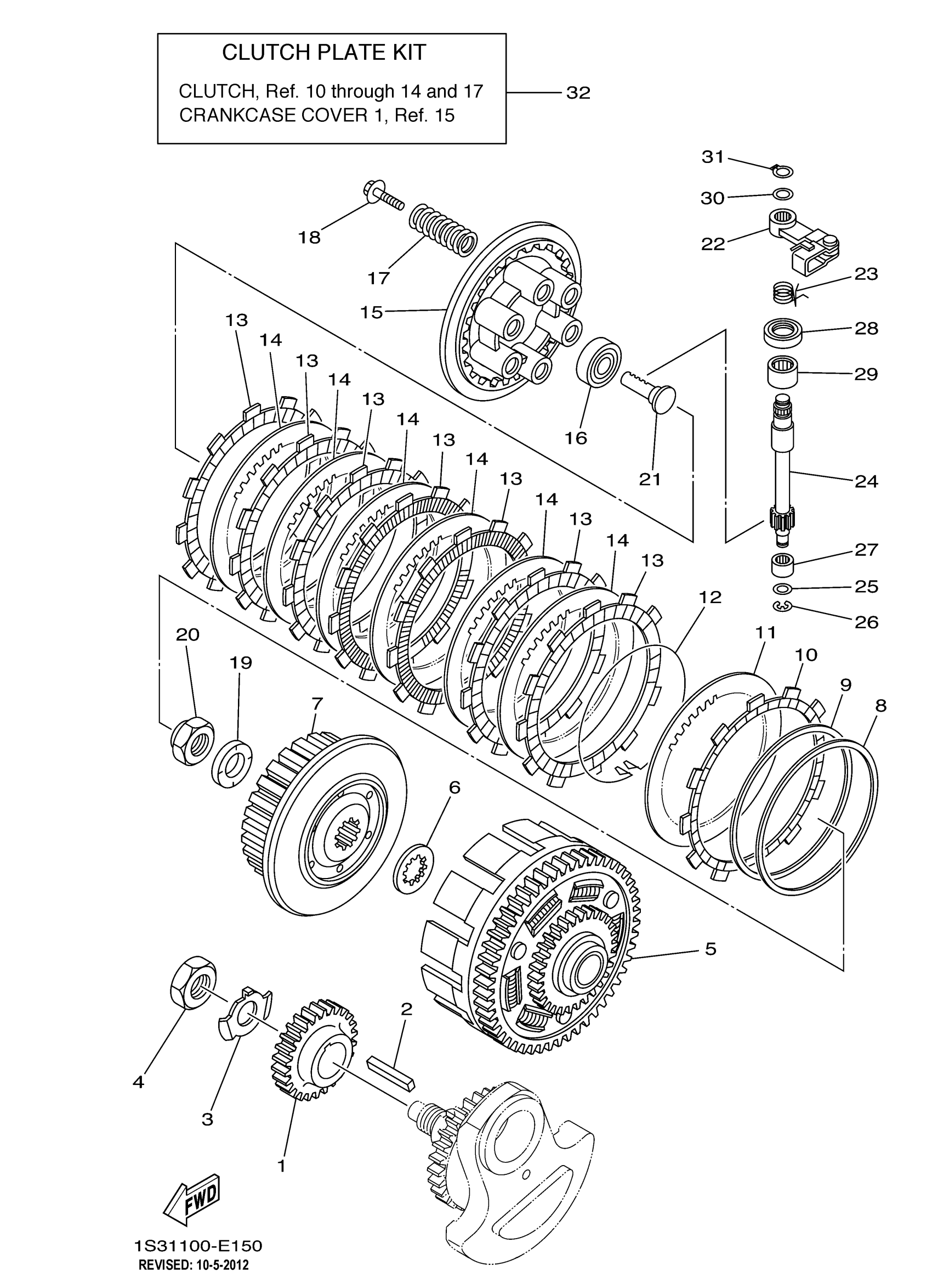
Yamaha YFM7RBW (RAPTOR 700R) 1ASD0 2012 CLUTCH Diagram
#
Description
Price
16
BEARING(2JN)
93306-00315-00
Unavailable
17
SPRING, COMPRESSION(3GM)
90501-230E4-00
Unavailable
18
SCREW, WITH WASHER
90159-06029-00
Unavailable
19
WASHER, CONICAL SPRING
90208-20001-00
Unavailable
20
NUT
90179-20022-00
Unavailable
21
ROD, PUSH 1
4XV-16356-01-00
Unavailable
22
PUSH LEVER ASSY
3LD-16340-01-00
Unavailable
23
SPRING, TORSION
90508-18018-00
Unavailable
24
AXLE, PUSH LEVER
5EB-16382-00-00
Unavailable
25
.. WASHER, PLATE
92990-08600-00
Unavailable
26
CIRCLIP
99080-07600-00
Unavailable
27
BEARING
93317-11096-00
Unavailable
28
OIL SEAL (3X3)
93102-15212-00
Unavailable
29
BRG,CYL-CAL ROLLER 16G TM
93315-31502-00
Unavailable
30
WASHER, PLATE (2W5)
90201-10614-00
Unavailable
31
CIRCLIP(10W)
99009-10400-00
Unavailable
32
CLUTCH PLATE KIT
1S3-W001G-00-00
Unavailable
