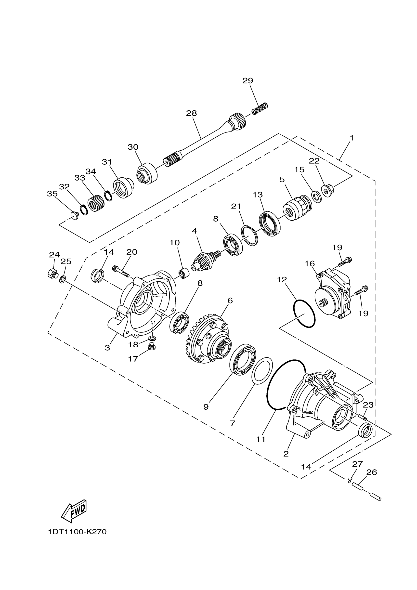
Yamaha YFM7FGPDR (GRIZZLY 700 EPS 4WD) 1HPG1 2013 FRONT DIFFERENTIAL Diagram
#
1
FRONT AXLE GEAR CASE COMP.
1HP-46160-01-00
Unavailable
4
PINION, DRIVE 2
1XD-46141-00-00
Unavailable
7
SHIM, RING GEAR (0.2T)
3B4-46117-10-00
Unavailable
7
SHIM, RING GEAR (0.3T)
3B4-46117-20-00
Unavailable
7
SHIM, RING GEAR (0.4T)
3B4-46117-30-00
Unavailable
13
OIL SEAL
93105-46001-00
Unavailable
14
SEAL,OIL 1
3B4-46163-00-00
Unavailable
15
WASHER
3B4-47359-00-00
Unavailable
16
SERVO MOTOR COMP
1HP-4616A-00-00
Unavailable
17
PLUG, STRIGHT SCREW(5GH1)
90340-10001-00
Unavailable
18
GASKET
90430-10003-00
Unavailable
19
BOLT, FLANGE
95812-06014-00
Unavailable
20
BOLT, FLANGE
95817-08040-00
Unavailable
21
RING,HOLE SNAP 1
3B4-46142-00-00
Unavailable
22
NUT 1
4WV-46145-11-00
Unavailable
23
TUBE
5GH-46293-00-00
Unavailable
24
PLUG, STRAIGHT(2E9)
90340-14029-00
Unavailable
25
GASKET
214-11198-01-00
Unavailable
26
HOSE (L1050)
90445-072G8-00
Unavailable
27
CLIP (1J7)
90467-07029-00
Unavailable
28
SHAFT, DRIVE 2
1HP-G6173-00-00
Unavailable
29
SPRING, COMPRESSION (400)
90501-20361-00
Unavailable
30
SEAL 2
5KM-46137-00-00
Unavailable
31
SEAL 1
5KM-46136-00-00
Unavailable
32
CIRCLIP(1EY)
99009-19400-00
Unavailable
33
COUPLING
5KM-46126-00-00
Unavailable
34
CIRCLIP (537)
93410-22039-00
Unavailable
35
DAMPER
5KM-46559-00-00
Unavailable
