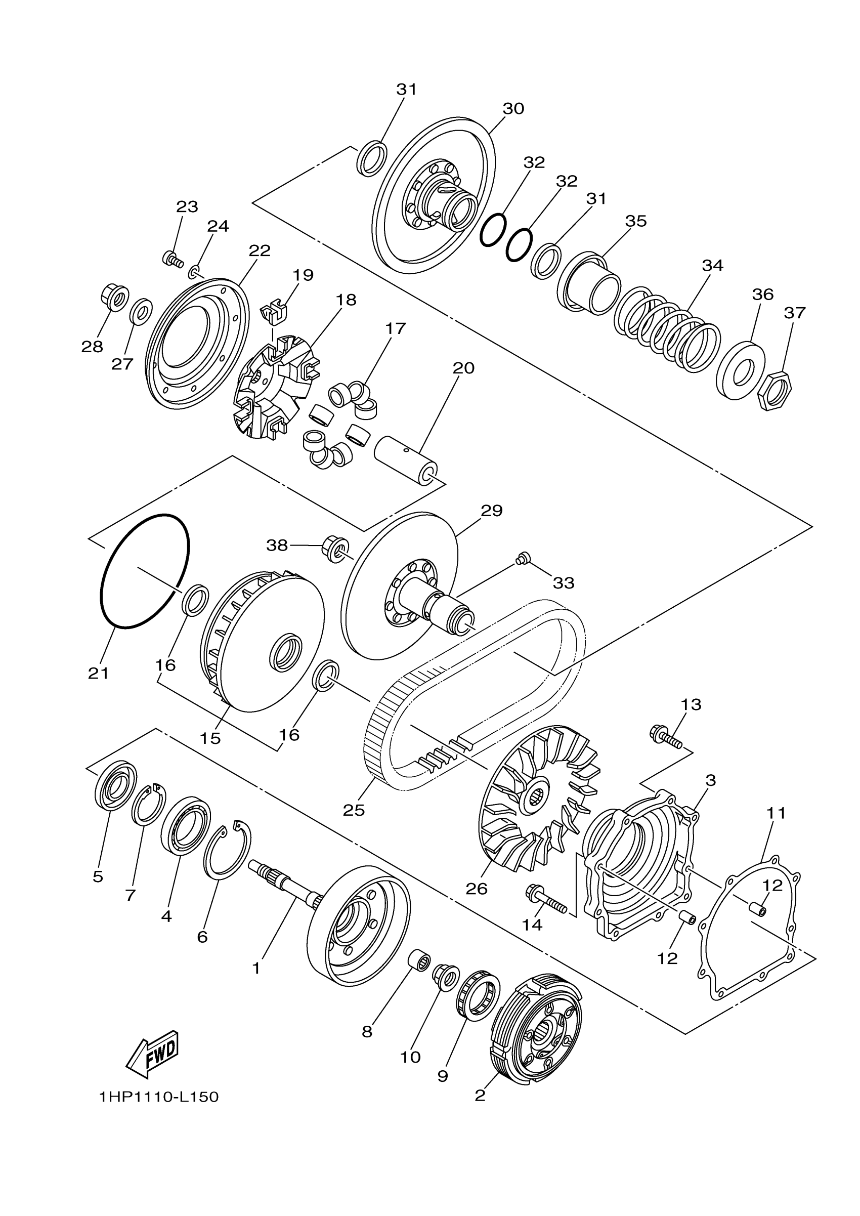
Yamaha YFM7FGBL (GRIZZLY 700 4WD) 1ND10 2012 CLUTCH Diagram
#
Description
Price
2
CLUTCH CARRIER ASSY
3B4-16620-00-00
Unavailable
16
OIL SEAL
93101-35001-00
Unavailable
17
WEIGHT
3B4-17632-01-00
Unavailable
18
CAM
3B4-17623-02-00
Unavailable
19
SLIDER
16B-17653-00-00
Unavailable
20
COLLAR
3B4-17645-00-00
Unavailable
21
O-RING
93211-594A4-00
Unavailable
22
STOPPER
4WV-17639-10-00
Unavailable
23
SCREW, PAN HEAD
90157-04006-00
Unavailable
24
WASHER, PLATE(4HC)
90201-047R9-00
Unavailable
25
V-BELT
3B4-17641-00-00
Unavailable
26
SHEAVE, PRIMARY FIXED
3B4-17611-00-00
Unavailable
27
WASHER, PLATE
90201-190T7-00
Unavailable
28
NUT
90179-16005-00
Unavailable
29
SECONDARY FIXED SHEAVE COMP.
3B4-17660-10-00
Unavailable
30
SECONDARY SLIDING SHEAVE
3B4-17670-10-00
Unavailable
31
OIL SEAL
93104-41119-00
Unavailable
32
O-RING (10L)
93210-44545-00
Unavailable
33
PIN, GUIDE
4CW-17664-00-00
Unavailable
34
SPRING, COMPRESSION
90501-650A0-00
Unavailable
35
SEAT, SECONDARY SPRING
4WV-17684-00-00
Unavailable
36
SEAT, SPRING
4WV-17644-00-00
Unavailable
37
NUT (5G3)
90170-36279-00
Unavailable
38
NUT
90179-16005-00
Unavailable
