Yamaha YFM70RSBKD (RAPTOR 700) 2LSL 2019 RADIATOR HOSE Diagram
#
Description
Price
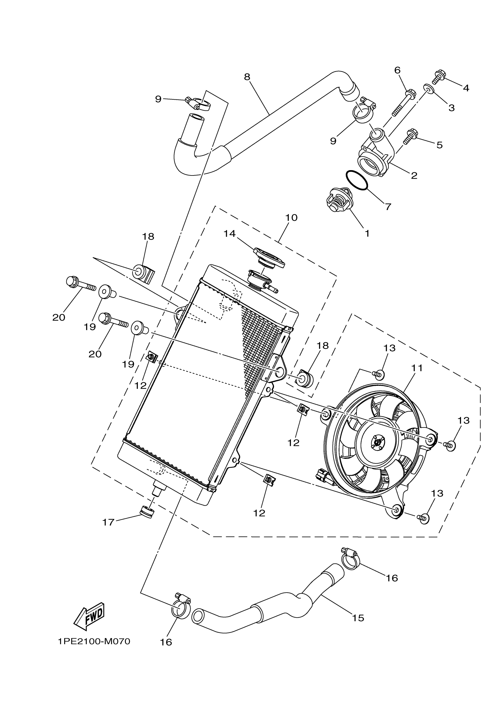
2
COVER, THERMOSTAT
1S3-12413-00-00
Unavailable
3
GASKET 256113960000
90430-06014-00
Unavailable
16
HOSE CLAMP ASSY
90450-32015-00
Unavailable
17
GROMMET (13X)
90480-18330-00
Unavailable
18
DAMPER, RADIATOR
1S3-12465-00-00
Unavailable
19
COLLAR
90387-06166-00
Unavailable
20
BOLT, FLANGE
95817-06030-00
Unavailable
