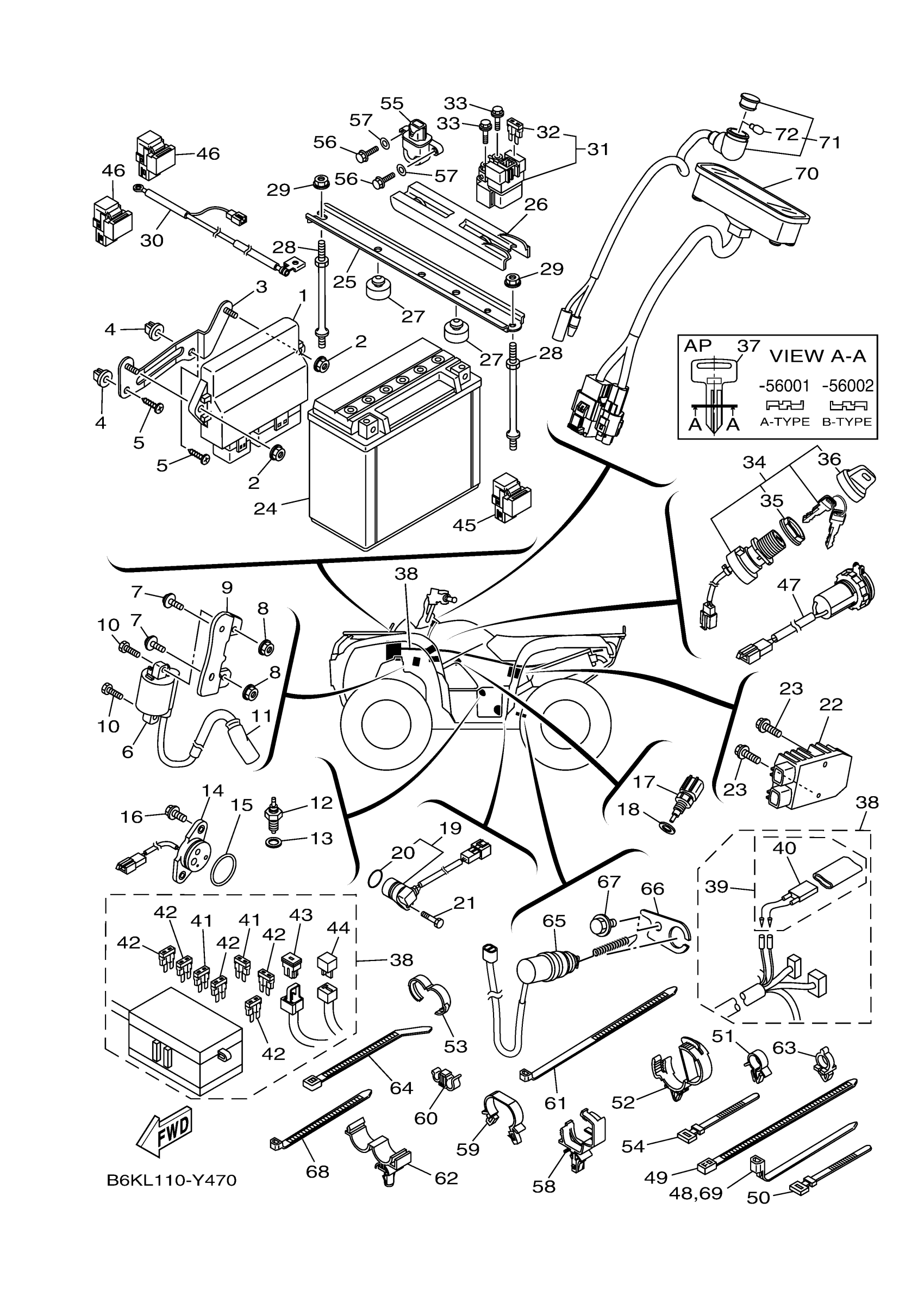
Yamaha YFM70KDXPG (KODIAK 700) B6KL 2023 ELECTRICAL 1 Diagram
#
1
ENGINE CONTROL UNI
B6K-8591A-21-00
Unavailable
6
IGNITION COIL ASSY
1D7-H2310-05-00
Unavailable
9
BRACKET, IGNITION COIL
B4F-82316-00-00
Unavailable
16
BOLT, WITH WASHER
90119-06137-00
Unavailable
17
THERMOSENSOR ASSY
5YP-85790-00-00
Unavailable
18
GASKET(2GH)
90430-12202-00
Unavailable
19
SENSOR, SPEED
3B4-83755-01-00
Unavailable
20
O-RING
4D9-81168-00-00
Unavailable
21
BOLT,SOCKET HEAD
91314-06020-00
Unavailable
22
RECTIFIER & REGULATOR ASSY
1D7-81960-10-00
Unavailable
23
BOLT, FLANGE DEEP RECESS
95D32-06020-00
Unavailable
24
BATTERY ASSY (YUASA YTX20L-BS)
YTX-20LBS-00-00
Unavailable
25
BRACKET, BATTERY
1HP-H2128-00-00
Unavailable
26
COVER, BATTERY
3B4-82129-01-00
Unavailable
27
PAD, SEAT
B4F-F4741-00-00
Unavailable
28
SCREW, FITTING
3B4-82133-20-00
Unavailable
30
WIRE, MINUS LEAD
28P-82116-01-00
Unavailable
31
STARTER RELAY ASSY (2768113-A)
3B4-81940-00-00
Unavailable
32
FUSE (12V 15A)
36Y-82151-00-00
Unavailable
33
BOLT, FLANGE
95022-06008-00
Unavailable
34
MAIN SWITCH ASSY
28P-82510-02-00
Unavailable
35
NUT, MAIN SWITCH
3HN-82569-00-00
Unavailable
36
CAP, KEY
3HN-82579-00-00
Unavailable
37
KEY, BLANK (A-TYPE)
90890-56001-00
Unavailable
37
KEY, BLANK (B-TYPE)
90890-56002-00
Unavailable
38
WIRE HARNESS ASSY
B6K-82590-01-00
Unavailable
39
CIRCUIT BREAKER ASSY
5GT-82180-00-00
Unavailable
40
THERMO SWITCH ASSY
4GB-82560-00-00
Unavailable
41
FUSE
5JJ-82151-20-00
Unavailable
42
. FUSE (10A)
67F-82151-40-00
Unavailable
43
SLOW BLOW FUSE
JR9-82151-00-00
Unavailable
44
DIODE ASSY
3WP-81980-00-00
Unavailable
45
RELAY ASSY
5DM-81950-01-00
Unavailable
46
RELAY ASSY (8DM-11)
8DM-81950-11-00
Unavailable
47
TERMINAL COMP.
1HP-H254B-10-00
Unavailable
48
CLAMP(4FM)
90464-15195-00
Unavailable
49
CLAMP(JN6)
90464-40825-00
Unavailable
50
BAND, SWITCH CORD
437-83936-01-00
Unavailable
51
CLAMP(3XV)
90464-15157-00
Unavailable
52
CLAMP(4AP)
90464-20181-00
Unavailable
53
CLAMP
90464-16001-00
Unavailable
54
BAND, SWITCH CORD
437-83936-11-00
Unavailable
55
SENSOR, LEAN ANGLE
3B4-82576-10-00
Unavailable
56
BOLT(6A1)
97095-05016-00
Unavailable
57
WASHER, PLAIN (646)
92990-05600-00
Unavailable
58
CLAMP(4SV)
90464-20237-00
Unavailable
59
CLAMP(4NK)
90464-24230-00
Unavailable
60
CLAMP
90464-09027-00
Unavailable
61
BAND, SWITCH CORD
25G-83936-01-00
Unavailable
62
CLAMP
90464-16012-00
Unavailable
63
CLAMP
90464-12830-00
Unavailable
64
CLAMP
90465-10098-00
Unavailable
65
Stop Switch Assy
18P-82530-01-00
Unavailable
66
BRACKET, STOP SWIT
B16-21441-00-00
Unavailable
67
BOLT, FLANGE
95812-06010-00
Unavailable
68
CLAMP (6E5)
90465-13M11-00
Unavailable
69
CLAMP(4FM)
90464-15195-00
Unavailable
70
PILOT LIGHT ASSY
B16-83530-00-00
Unavailable
71
PILOT LIGHT ASSY
B16-83582-00-00
Unavailable
72
BULB (12V-1.7W)
3FV-83517-00-00
Unavailable
