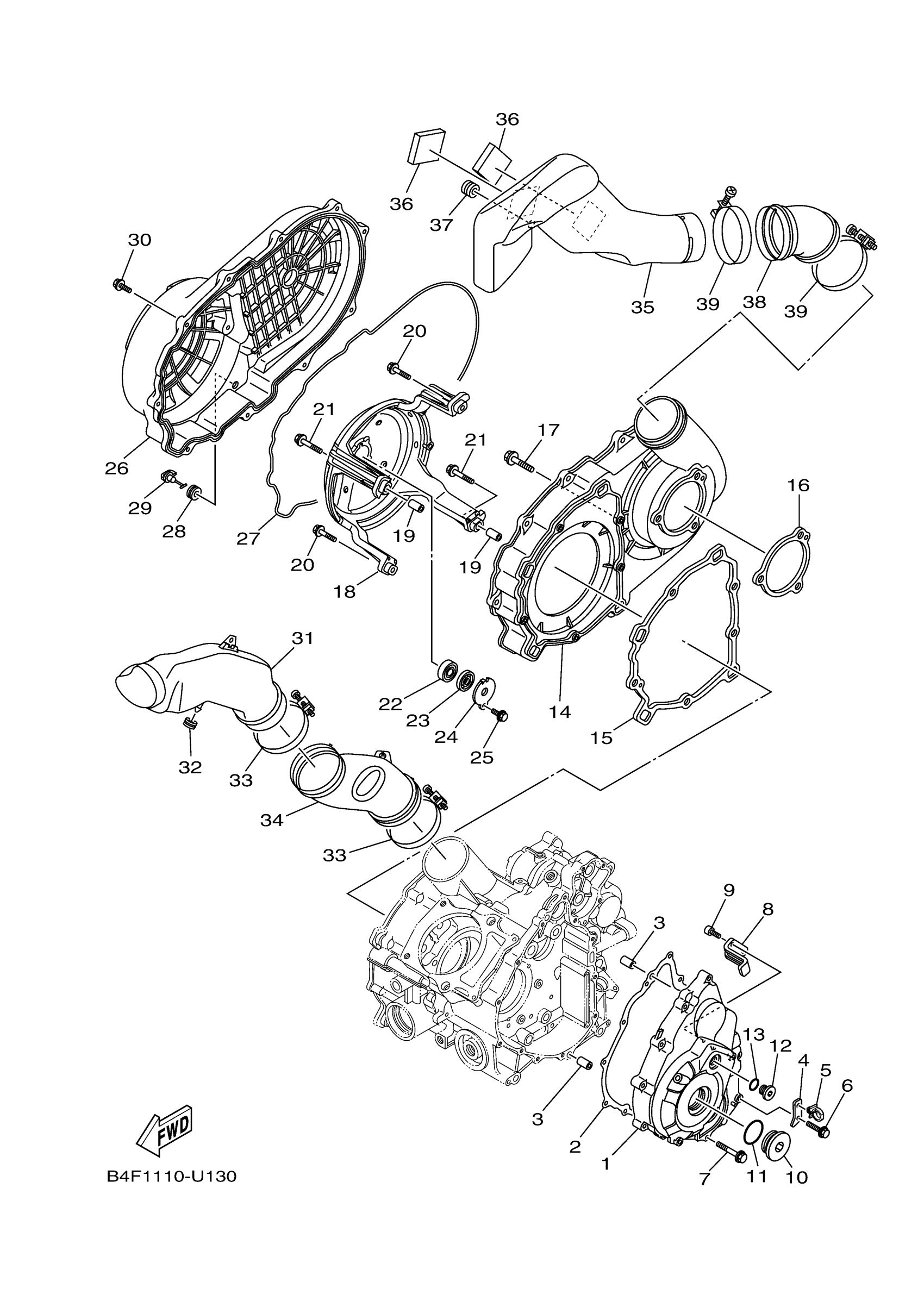
Yamaha YFM70GPZTM (GRIZZLY EPS XT R) DH99 2026 CRANKCASE COVER 1 Diagram
#
Description
Price
4
PLATE
1HP-15191-00-00
Unavailable
16
SEAL, CRANKCASE
3B4-15315-00-00
Unavailable
17
95822-06030
95822-06030-00
Unavailable
18
HOUSING, BEARING
1XD-15442-00-00
Unavailable
20
95822-06030
95822-06030-00
Unavailable
21
BOLT, FLANGE
95817-06040-00
Unavailable
22
BEARING(3WF)
93306-20119-00
Unavailable
23
OIL SEAL
93101-12168-00
Unavailable
24
PLATE, BEARING COVER
4WV-15381-00-00
Unavailable
25
BOLT, FLANGE
95022-06016-00
Unavailable
26
COVER, CRANKCASE 3
3B4-15431-01-00
Unavailable
27
SEAL, CRANKCASE
3B4-15379-00-00
Unavailable
28
GROMMET (462)
90480-13018-00
Unavailable
29
PLUG, DRAIN
5KM-15351-00-00
Unavailable
30
BOLT, FLANGE
95817-06020-00
Unavailable
31
DUCT, AIR
1HP-E5471-00-00
Unavailable
32
GROMMET(4FU)
90480-13567-00
Unavailable
33
CLAMP,HOSE
90460-85135-00
Unavailable
34
SEAL, AIR DUCT
1HP-E5472-00-00
Unavailable
35
DUCT, AIR
1HP-E5473-00-00
Unavailable
36
SEAT, BATTERY
1S3-82123-00-00
Unavailable
37
GROMMET
90480-13014-00
Unavailable
38
SEAL, AIR DUCT
1HP-E5474-00-00
Unavailable
39
CLAMP,HOSE
90460-85135-00
Unavailable
