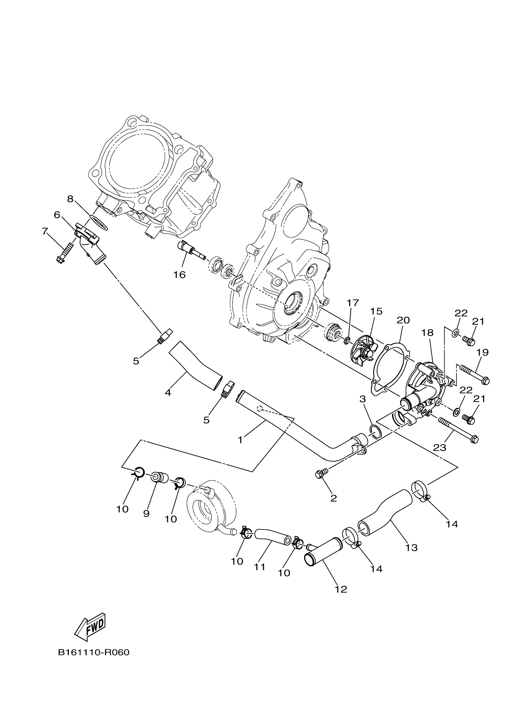
Yamaha YFM70GPLGR (GRIZZLY EPS 4WD LTD EDITION) B315 2016 WATER PUMP Diagram
#
Description
Price
1
PIPE 1
B16-E2481-00-00
Unavailable
7
BOLT 1
2MB-E5481-20-00
Unavailable
11
HOSE 2
B16-E243E-00-00
Unavailable
16
SHAFT, IMPELLER
2MB-E2458-00-00
Unavailable
17
SEAL, WATER PUMP
2MB-E243M-00-00
Unavailable
18
COVER, HOUSING
B16-E2422-00-00
Unavailable
19
BOLT 1
2MB-E5481-B0-00
Unavailable
20
GASKET, HOUSING CO
2MB-E2428-00-00
Unavailable
22
GASKET
2MB-E2435-00-00
Unavailable
23
BOLT 1
2MB-E5481-70-00
Unavailable
