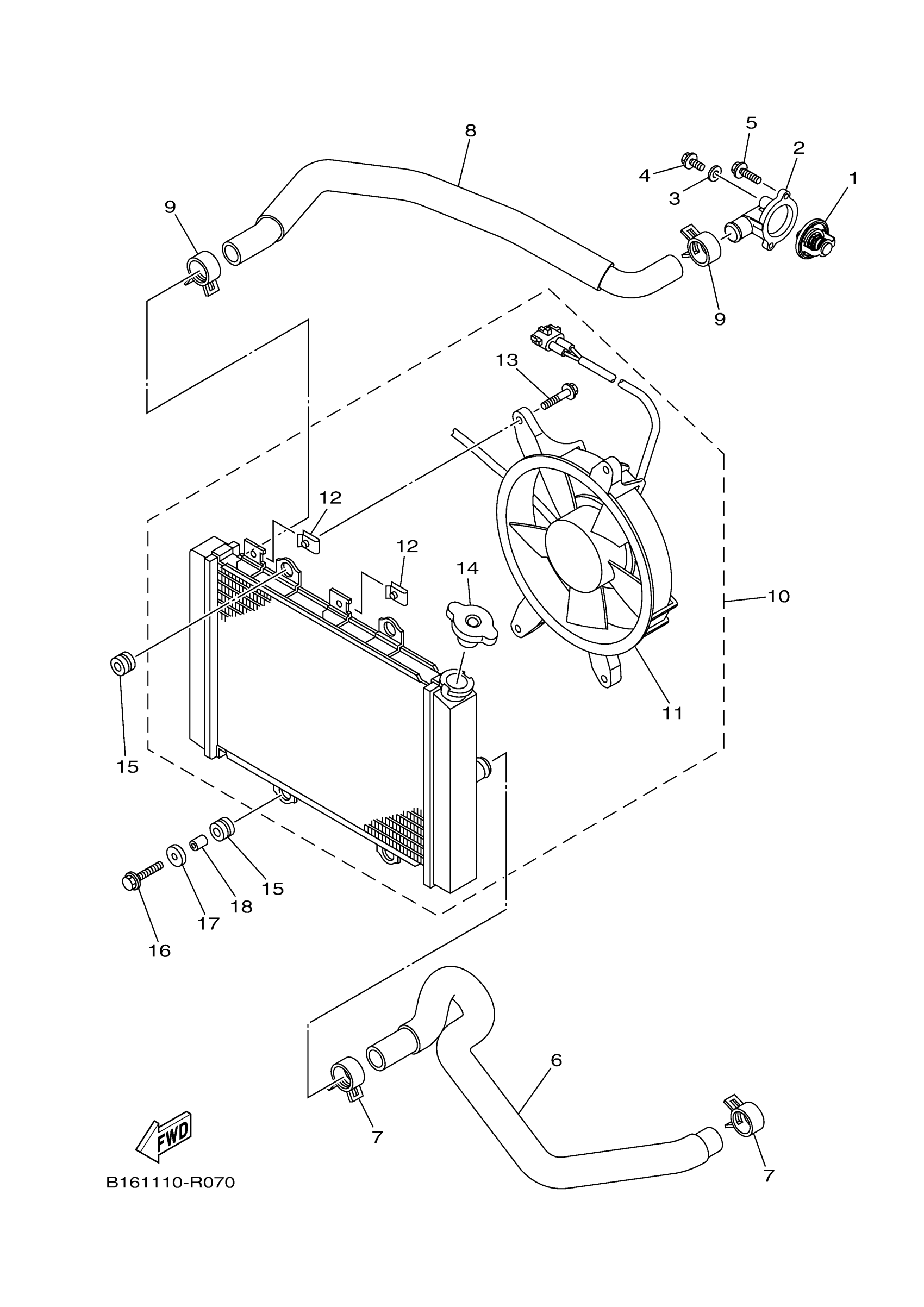
Yamaha YFM70GPLGR (GRIZZLY EPS 4WD LTD EDITION) B315 2016 RADIATOR HOSE Diagram
#
Description
Price
2
COVER, THERMOSTAT
B16-E2413-00-00
Unavailable
11
BLOWER ASSY
B16-E2405-01-00
Unavailable
12
. NUT SPRING
1HP-E2535-00-00
Unavailable
16
BOLT, FLANGE
95817-06020-00
Unavailable
17
WASHER
90209-06012-00
Unavailable
18
COLLAR
90387-06113-00
Unavailable
